Zum Hauptinhalt springen Zur Suche springen Zur Hauptnavigation springen
schneller Versand
Telefonische Beratung
Rufen Sie gerne an
Rechnungszahlung für Firmen/Behörden
Telefon: +49 (0)7362 - 919093

12V Relais DC Spule 2xUM DPDT 2xWechsler je 8A 250V 4052

Produktinformationen "12V Relais DC Spule 2xUM DPDT 2xWechsler je 8A 250V 4052"

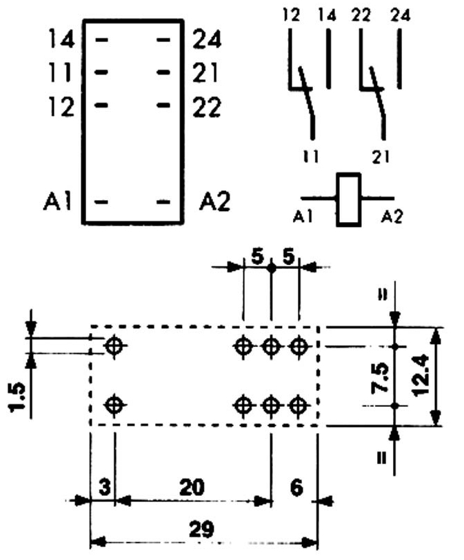
12V Relais mit 2x Wechslerkontakten ( 2xUM = DPDT ) je 8A 250/400V

  • 12V DC Relais Für Leiterplatte oder Fassung 
  • Spule: 12V (DC) Spule: 220-Ohm = 55mA ( Einsetzbar im Arbeitsbereich 8,8...18V )
  • 2 Wechslerkontakten ( 2x Schliesser und 2x Öffner ) 
  • Kontaktbelastbarkeit max 2 x 8A bis 
  • Kontakte Nennspannung bis max. Schaltspannung 250/400 VAC
  • Kontakte Max. Schaltleistung      AC1 = 2000VA 
  • Kontakte 1-Phasenmotorlast       AC3 = Betrieb (230VAC) 0,3kW 
  • Kontakte bis max. Schaltleistung AC15  = (230VAC) 400VA
  • Kontakte bis max. Schaltstrom  DC1  = Gleichspannung = 30VDC 8A / 110VDC 0,3A / 220VDC 0,12A  
  • Als Leiterplatten- oder auch Steckrelais mit passender Fassung verwendbar 
  • Ansprech-/Rückfallzeit = 7/3ms 
  • 8 Kontakten insgesamt (2x für Spule und 6x für Kontakte)
  • Kontaktmaterial Standard AGNi  
  • Abmessungen: B:29mm H:25mm T:12,4mm 
  • Raster Längs = 5,0mm / Quer = 7,5mm  ( siehe auch Zeichnung weitere Bilder ) 

Standard-Leistung-Relais für Fassungen und Leiterplatte mit grossen Leistungsreserven und den meisten Zulassungen

  • Sichere Trennung zwischen Spule und Kontaktsatz nach EN 50178, EN 60204 und EN 60335
  • 6000V (1,2/50 us), 8mm Luft- und Kriechstrecke
  • Spulen 500mW Verbrauch 
  • 5mm lange Pins zur zuverlässigen Kontaktierung in Fassungen
  • Relaisschutzart RT-II nicht Waschdicht  
  • Einsatzbereich bzw. Umgebungstemperatur -40 bis + 85 °C 

Zusatzinformation zu den Kontakten in der Gebrauchskategorie für Wechselspannung / Gleichspannung 

  • AC1   Angaben IEC60947-4-1 = Ohmsche Lasten, nicht induktive oder schwach induktive Lasten. 
  • AC3   Angaben IEC60947-4-1 = Käfigläufermotoren: Anlassen. Ausschalten während des Laufes 
  • AC15 Angaben IEC60947-5-1 = Steuern von elektromagnetischer Last bei Wechselspannung
  • DC1   Angaben IEC60947-4-1 = Ohmsche Lasten, nicht induktive oder schwach induktive Last

passendes Zubehör siehe im Zubehör Register ( Beispiele ) 

  • Bst Nr 47-827-00060 = Relaisfassung für Platine 
  • Bst Nr 47-827-00050 = Relaaisfassung für Hutschiene ( DIN Rail TS35 Standard ) 
  • Bst Nr 47-827-00020 = Relaaisfassung für Hutschiene ( DIN Rail TS35 Arretierbar )

0 von 0 Bewertungen

Durchschnittliche Bewertung von 0 von 5 Sternen

Bewerten Sie dieses Produkt!

Teilen Sie Ihre Erfahrungen mit anderen Kunden.


Produktgalerie überspringen

Ähnliche Artikel

> 500 lagernd
Rabatt
12V Relais DC Spule 2xUM DPDT 2xWechsler je 8A 250V 4052
12V Relais DC Spule 2xUM DPDT 2xWechsler je 8A 250V 4052

12V Relais mit 2x Wechslerkontakten ( 2xUM = DPDT ) je 8A 250/400V 12V DC Relais Für Leiterplatte oder Fassung  Spule: 12V (DC) Spule: 220-Ohm = 55mA ( Einsetzbar im Arbeitsbereich 8,8...18V ) 2 Wechslerkontakten ( 2x Schliesser und 2x Öffner )  Kontaktbelastbarkeit max 2 x 8A bis  Kontakte Nennspannung bis max. Schaltspannung 250/400 VAC Kontakte Max. Schaltleistung      AC1 = 2000VA  Kontakte 1-Phasenmotorlast       AC3 = Betrieb (230VAC) 0,3kW  Kontakte bis max. Schaltleistung AC15  = (230VAC) 400VA Kontakte bis max. Schaltstrom  DC1  = Gleichspannung = 30VDC 8A / 110VDC 0,3A / 220VDC 0,12A   Als Leiterplatten- oder auch Steckrelais mit passender Fassung verwendbar  Ansprech-/Rückfallzeit = 7/3ms  8 Kontakten insgesamt (2x für Spule und 6x für Kontakte) Kontaktmaterial Standard AGNi   Abmessungen: B:29mm H:25mm T:12,4mm  Raster Längs = 5,0mm / Quer = 7,5mm  ( siehe auch Zeichnung weitere Bilder )  Standard-Leistung-Relais für Fassungen und Leiterplatte mit grossen Leistungsreserven und den meisten Zulassungen Sichere Trennung zwischen Spule und Kontaktsatz nach EN 50178, EN 60204 und EN 60335 6000V (1,2/50 us), 8mm Luft- und Kriechstrecke Spulen 500mW Verbrauch  5mm lange Pins zur zuverlässigen Kontaktierung in Fassungen Relaisschutzart RT-II nicht Waschdicht   Einsatzbereich bzw. Umgebungstemperatur -40 bis + 85 °C  Zusatzinformation zu den Kontakten in der Gebrauchskategorie für Wechselspannung / Gleichspannung  AC1   Angaben IEC60947-4-1 = Ohmsche Lasten, nicht induktive oder schwach induktive Lasten.  AC3   Angaben IEC60947-4-1 = Käfigläufermotoren: Anlassen. Ausschalten während des Laufes  AC15 Angaben IEC60947-5-1 = Steuern von elektromagnetischer Last bei Wechselspannung DC1   Angaben IEC60947-4-1 = Ohmsche Lasten, nicht induktive oder schwach induktive Last passendes Zubehör siehe im Zubehör Register ( Beispiele )  Bst Nr 47-827-00060 = Relaisfassung für Platine  Bst Nr 47-827-00050 = Relaaisfassung für Hutschiene ( DIN Rail TS35 Standard )  Bst Nr 47-827-00020 = Relaaisfassung für Hutschiene ( DIN Rail TS35 Arretierbar )

Verkaufspreis: 6,75 € Regulärer Preis: 7,50 € (10% gespart)
> 500 lagernd
Rabatt
24V Relais DC Spule 2xUM DPDT 2xWechsler je Kontakt 8A 250V 4052
24V Relais DC Spule 2xUM DPDT 2xWechsler je Kontakt 8A 250V 4052

24V Relais mit 2x Wechslerkontakten ( 2xUM ) je 8A 250/400V 24V DC Relais Für Leiterplatte oder Fassung  Spule: 24V (DC) Spule: 900-Ohm = 27mA ( Einsetzbar im Arbeitsbereich 17,5...36V ) 2 Wechslerkontakten ( 2x Schliesser und 2x Öffner )  Kontaktbelastbarkeit max 2 x 8A bis  Kontakte Nennspannung bis max. Schaltspannung 250/400 VAC Kontakte Max. Schaltleistung      AC1 = 2000VA  Kontakte 1-Phasenmotorlast       AC3 = Betrieb (230VAC) 0,3kW  Kontakte bis max. Schaltleistung AC15  = (230VAC) 400VA Kontakte bis max. Schaltstrom  DC1  = Gleichspannung = 30VDC 8A / 110VDC 0,3A / 220VDC 0,12A   Als Leiterplatten- oder auch Steckrelais mit passender Fassung verwendbar Ansprech-/Rückfallzeit = 7/3ms  8 Kontakten insgesamt (2x für Spule und 6x für Kontakte) Kontaktmaterial Standard AGNi   Abmessungen: B:29mm H:25mm T:12,4mm  Raster Längs = 5,0mm / Quer = 7,5mm  ( siehe auch Zeichnung weitere Bilder )  Ersetzt unter vielen weiteren Relais-Modelle auch Eberle D0409 03028 03 GrC/250 22-26V sowie V23037-A0005 usw. Standard-Leistung-Relais für Fassungen und Leiterplatte mit grossen Leistungsreserven und den meisten Zulassungen Sichere Trennung zwischen Spule und Kontaktsatz nach EN 50178, EN 60204 und EN 60335 6000V (1,2/50 us), 8mm Luft- und Kriechstrecke Spulen 500mW Verbrauch  5mm lange Pins zur zuverlässigen Kontaktierung in Fassungen Relaisschutzart RT-II nicht Waschdicht   Einsatzbereich bzw. Umgebungstemperatur -40 bis + 85 °C  Zusatzinformation zu den Kontakten in der Gebrauchskategorie für Wechselspannung / Gleichspannung  AC1   Angaben IEC60947-4-1 = Ohmsche Lasten, nicht induktive oder schwach induktive Lasten.  AC3   Angaben IEC60947-4-1 = Käfigläufermotoren: Anlassen. Ausschalten während des Laufes  AC15 Angaben IEC60947-5-1 = Steuern von elektromagnetischer Last bei Wechselspannung DC1   Angaben IEC60947-4-1 = Ohmsche Lasten, nicht induktive oder schwach induktive Last passendes Zubehör siehe im Zubehör Register ( Beispiele )  Bst Nr 47-827-00060 = Relaisfassung für Platine  Bst Nr 47-827-00050 = Relaaisfassung für Hutschiene ( DIN Rail TS35 Standard )  Bst Nr 47-827-00020 = Relaaisfassung für Hutschiene ( DIN Rail TS35 Arretierbar ) 

Verkaufspreis: 6,95 € Regulärer Preis: 8,50 € (18.24% gespart)
Finder 4052 230V Relais
230V Relais AC Spule 2xUM DPDT 2xWechsler Kontakte je 8A 250V 4052 Silberkontakte

230V Relais Leiterplatten oder auch als Steckrelais verwendbar ( 2xUM = 2x Wechslerkontakte )  230V Relais (AC Spule)  8 Pins bzw. Kontakte (2x Spule 6x für Wechsler) Spule: 230V Einsatzbereich 184...253VAC 50Hz  Spule: 27kOhm Strom: 5mA (Nenn) max. 8,5mA Kontakte 2x Wechsler = 2xUM Kontaktmaterial: AgNI = Silber-Nickel Kontaktbelastbarkeit je Kontakt: 2 Wechslerkontakten ( 2x Schliesser und 2x Öffner )  Kontaktbelastbarkeit max 2 x 8A  Kontakte Nennspannung bis max. Schaltspannung 250/400 VAC Kontakte Max. Schaltleistung      AC1 = 2000VA  Kontakte 1-Phasenmotorlast       AC3 = Betrieb (230VAC) 0,3kW  Kontakte bis max. Schaltleistung AC15  = (230VAC) 400VA Kontakte bis max. Schaltstrom  DC1  = Gleichspannung = 30VDC 8A / 110VDC 0,3A / 220VDC 0,12A   Als Leiterplatten- oder auch Steckrelais mit passender Fassung verwendbar  Ansprech-/Rückfallzeit = 7/3ms  Spannungsfestigkeit offene Kontakte 1000VAC Temperatureinsatzbereich: -40...+85°C  nicht Waschdicht Relais Schutzart: RT-II ( nicht waschdicht )  Lötfest 260°C (5sek) Ansprech-/Abfallzeit: 7/3ms Mech. Lebensdauer: 10 x 10_6 Abmessungen: B:29mm H:25mm T:12,3mm Zusatzinformation: Neu dieses Relais ist nun auch mit vergoldeten Kontakten (AgNi+AU) erhältlich Bst.Nr.: 47-826-00022 Zusatzinformation zu den Kontakten in der Gebrauchskategorie für Wechselspannung / Gleichspannung   AC1   Angaben IEC60947-4-1 = Ohmsche Lasten, nicht induktive oder schwach induktive Lasten.  AC3   Angaben IEC60947-4-1 = Käfigläufermotoren: Anlassen. Ausschalten während des Laufes  AC15 Angaben IEC60947-5-1 = Steuern von elektromagnetischer Last bei Wechselspannung DC1   Angaben IEC60947-4-1 = Ohmsche Lasten, nicht induktive oder schwach induktive Last  passendes Zubehör siehe im Zubehör Register ( Beispiele )   Bst Nr 47-827-00060 = Relaisfassung für Platine  Bst Nr 47-827-00050 = Relaaisfassung für Hutschiene ( DIN Rail TS35 Standard )  Bst Nr 47-827-00020 = Relaaisfassung für Hutschiene ( DIN Rail TS35 Arretierbar )  

Regulärer Preis: 13,50 €
Rabatt
230V Relais AC Spule 1xUM SPDT 1xWechsler 16A 250V Silberkontakte 4061-Serie
230V Relais AC Spule 1xUM SPDT 1xWechsler 16A 250V Silberkontakte 4061-Serie

230V Steckrelais für Hutschienenfassung oder auch für Leiterplatten verwendbar 8 Pins bzw. Kontakten, aber nur 1x Wechsler = 1xUM = SPDT Spule: 230V (AC) Spule: 27 Kohm 8,5mA Kontakt: 1x UM = 1x Wechslerkontakt = SPDT Kontaktbelastbarkeit: bis 16A 250VAC bis 4000VA Kontaktmaterial: AgCdO = Silber-Cadmium Spannungsfestigkeit offene Kontakte 1000VAC Temperatureinsatzbereich: -40...+85°C nicht Waschdicht Abmessungen: B:29mm H:25mm T:12,3mm Passende Print- oder Hutschienenfassungen siehe (Zubehör-Register) Bitte beachten Sie auch das Zubehör-Register zu diesem Relais ( Hutschienen-Fassung erhältlich für den Reiheneinbau )

Verkaufspreis: 9,90 € Regulärer Preis: 13,95 € (29.03% gespart)
Produktgalerie überspringen

Zubehör

Rabatt
Relaisfassung für Platine zu 4051 4052 4061 4161 G2R2 usw
Relaisfassung für Platine zu 4051 4052 4061 4161 G2R2 usw

Relaisfassung für Platinen bzw. Leiterplatte  passend für die meisten Standard Steckrelais mit 1xUM oder 2xUM z.B. Finder F4051, F4052, F4061, F4152, F4161 und F4181 uvwm. wie Omron G2R2 etc.  Relaisfassung zum Einbau in gedruckte Schaltung, Platinen, Leiterplatten usw  Anschluss löten auf Platinen = Print Printfassung Isolierkörper aus selbstlöschendem PPEm (V1) Kontaktzungen aus CuSn6 Farbe: Blau Abmessungen: Länge: 31mm B:12,6mm H:9,1mm ( siehe auch Zeichnung weitere Bilder )  Betriebstemperatur -40 °C - 70 °C Raster Längs = 5,0mm / Quer 7,5mm ( siehe weitere Bilder )  Schutzart IP20 Belastbarkeit bis 10A 250/400V ( Rated values 10A 250/400V )  Spannungsfestigkeit bis 6 kV Dielectric strength 6 kV (1.2/50 μs) between coil and contacts Protection category Zulassungen cULus, GOST Verwendung für Relais der Serie F4051, F4052, F4061, F4152, F4161 und F4181 uvwm. wie Omron G2R2 etc.  Optional erhältlich = Relais Metall Halteklammer fals benötigt = Bst Nr 47-827-00070  

Verkaufspreis: 2,00 € Regulärer Preis: 2,50 € (20% gespart)
Relaisfassung für Hutschiene DIN-Schiene zu 4051 4052 4061 4152 4161 4452 4462 usw G2R2
Relaisfassung für Hutschiene DIN-Schiene zu 4051 4052 4061 4152 4161 4452 4462 usw G2R2

Relaisfassung Schraubfassung mit integrierter Schnappbefestigung für DIN-Schiene, sowie Aufnahme für Anzeige- und EMV-Entstörmodule. Sichere Trennung zwischen Spule und Kontakten Hutschienenrelaisfassung für übliche Findersteckrelais der Serien F4051, F4052, F4061, F4152, F4161 uvwm z.B. auch von OMRON G2R2 Für Relais mit 2x Wechsler (UM) Kontakten plus Spule = 8 Pins-, bzw. Steckkontakte passend zu allen typischen 35mm Hutschienen / DIN-Schienen Schraubfassung mit integrierter Schnappbefestigung für DIN-Schiene, sowie Aufnahme für Anzeige- und Entstörmodule. Sichere Trennung zwischen Spule und Kontakten.  Hutschienen-Relaisfassung für übliche Finderrelais der  Serien 4051 4052 4061 4152 4161 4452 4462 usw auch Omron G2R2 Für Relais mit 1 oder 2x Wechsler (UM) Kontakten plus Spule = 8 Pins-, bzw. Steckkontakte.  Abmessungen Länge 81,9mm / B:15,5mm / H:47mm ( siehe Zeichnung )  Farbe: Blau / Schutzart IP20  Umgebungstemperatur -40...+70°C  Belastbarkeit je Kontakt bis : 10A 300Vac Belastbarkeit je Kontakt bis : 12A 150Vac Anschlußart Schraubkontakte : Max. Anschlussquerschnitt wie folgt  Bei eindrähtigen Kabel max 1x6qm oder 2x 2,5qmm  Bei mehrdrähtig Litzen max 1x 4qmm oder 2x 2,5qmm Optional erhältliches Zubehör hierzu  47-827-00215 = 95.71    Haltebügel (Metall)  47-827-00210 = 95.91.3 Haltebügel (Kunsttoff) Variclip” Halte- und Demontagebügel  95.08    Kammbrücke zum Verbinden der A1 oder A2  95.80.3 Bezeichnungsschild für Fassung (Kunststoff, weiss), (7x15) mm  60.72    Bezeichnungsschild-Matte für “Variclip” weiss 72 Schilder, (6x12) mm, zum Bedrucken mit Plotter div Anzeige- und EMV-Entstörmodule z.B.  47-827-00230 = 99.80.3.000.00 = Freilaufdiode (+ an Klemme A1 ) ohne LED  47-827-00240 = 99.80.9.024.99 = grüne LED + Freilaufdiode (+ an Klemme A1) für Einsatz ( 6...12...24V DC)   99.80.9.060.99 = grüne LED + Freilaufdiode (+ an Klemme A1) für Einsatz ( 28...48..60V DC)   99.80.0.024.98 = grüne LED Anzeige mit Überspannungs-Varistor für Einsatz ( 6..12..24V DC/AC)   99.80.0.060.98 = grüne LED Anzeige mit Überspannungs-Varistor für Einsatz ( 28..48..60V DC/AC)   99.80.0.230.98 = grüne LED Anzeige mit Überspannungs-Varistor für Einsatz ( 110..240V DC/AC)  99.80.0.024.09 = EMV Entstörmodule RC-Modul für Einsatz ( 6..12..24V DC/AC )   99.80.0.060.09 = EMV Entstörmodule RC-Modul für Einsatz ( 28..48..60V DC/AC )   99.80.0.230.09 = EMV Entstörmodule RC-Modul für Einsatz ( 1106...240V DC/AC )   Zeitmodule gibt es zu dieser Fassung nicht

Regulärer Preis: Ab 6,65 €
Nur 2 auf Lager!
Rabatt
Relaisfassung für Hutschiene DIN-Schiene zu 4051 4052 4061 4152 4161 4452 4462 usw G2R2
Relaisfassung für Hutschiene DIN-Schiene zu 4051 4052 4061 4152 4161 4452 4462 usw G2R2

Relaisfassung Schraubfassung mit integrierter Schnappbefestigung für DIN-Schiene, sowie Aufnahme für Anzeige- und EMV-Entstörmodule. Sichere Trennung zwischen Spule und Kontakten Hutschienenrelaisfassung für übliche Findersteckrelais der Serien F4051, F4052, F4061, F4152, F4161 uvwm z.B. auch von OMRON G2R2 Für Relais mit 2x Wechsler (UM) Kontakten plus Spule = 8 Pins-, bzw. Steckkontakte passend zu allen typischen 35mm Hutschienen / DIN-Schienen Schraubfassung mit integrierter Schnappbefestigung für DIN-Schiene, sowie Aufnahme für Anzeige- und Entstörmodule. Sichere Trennung zwischen Spule und Kontakten.  Hutschienen-Relaisfassung für übliche Finderrelais der  Serien 4051 4052 4061 4152 4161 4452 4462 usw auch Omron G2R2 Für Relais mit 1 oder 2x Wechsler (UM) Kontakten plus Spule = 8 Pins-, bzw. Steckkontakte.  Abmessungen L: 81,9mm / B:15,5mm / H:64,8mm ( siehe Zeichnung )  Farbe: Blau / Schutzart IP20  Umgebungstemperatur -40...+70°C  Belastbarkeit je Kontakt bis : 10A 300Vac Belastbarkeit je Kontakt bis : 12A 150Vac Anschlußart Schraubkontakte : Max. Anschlussquerschnitt wie folgt  Bei eindrähtigen Kabel max 1x6qm oder 2x 2,5qmm  Bei mehrdrähtig Litzen max 1x 4qmm oder 2x 2,5qmm Optional erhältliches Zubehör hierzu 47-827-00215 = 95.71    Haltebügel (Metall) 47-827-00210 = 95.91.3 Haltebügel (Kunsttoff) Variclip” Halte- und Demontagebügel  95.08    Kammbrücke zum Verbinden der A1 oder A2  95.80.3 Bezeichnungsschild für Fassung (Kunststoff, weiss), (7x15) mm  60.72    Bezeichnungsschild-Matte für “Variclip” weiss 72 Schilder, (6x12) mm, zum Bedrucken mit Plotter div Anzeige- und EMV-Entstörmodule z.B.  47-827-00230 = 99.80.3.000.00 = Freilaufdiode (+ an Klemme A1 ) 47-827-00240 = 99.80.9.024.99 = grüne LED + Freilaufdiode (+ an Klemme A1) für Einsatz ( 6...12...24V DC)   99.80.9.060.99 = grüne LED + Freilaufdiode (+ an Klemme A1) für Einsatz ( 28...48..60V DC)   99.80.0.024.98 = grüne LED Anzeige mit Überspannungs-Varistor für Einsatz ( 6..12..24V DC/AC)   99.80.0.060.98 = grüne LED Anzeige mit Überspannungs-Varistor für Einsatz ( 28..48..60V DC/AC)   99.80.0.230.98 = grüne LED Anzeige mit Überspannungs-Varistor für Einsatz ( 110..240V DC/AC)  99.80.0.024.09 = EMV Entstörmodule RC-Modul für Einsatz ( 6..12..24V DC/AC )   99.80.0.060.09 = EMV Entstörmodule RC-Modul für Einsatz ( 28..48..60V DC/AC )   99.80.0.230.09 = EMV Entstörmodule RC-Modul für Einsatz ( 1106...240V DC/AC )   Zeitmodule gibt es zu dieser Fassung nicht Passende Relais und Zubehör hierzu finden Sie unter der Rubrik Zubehör 

Verkaufspreis: 7,00 € Regulärer Preis: 10,55 € (33.65% gespart)