Zum Hauptinhalt springen Zur Suche springen Zur Hauptnavigation springen
schneller Versand
Telefonische Beratung
Rufen Sie gerne an
Rechnungszahlung für Firmen/Behörden
Telefon: +49 (0)7362 - 919093

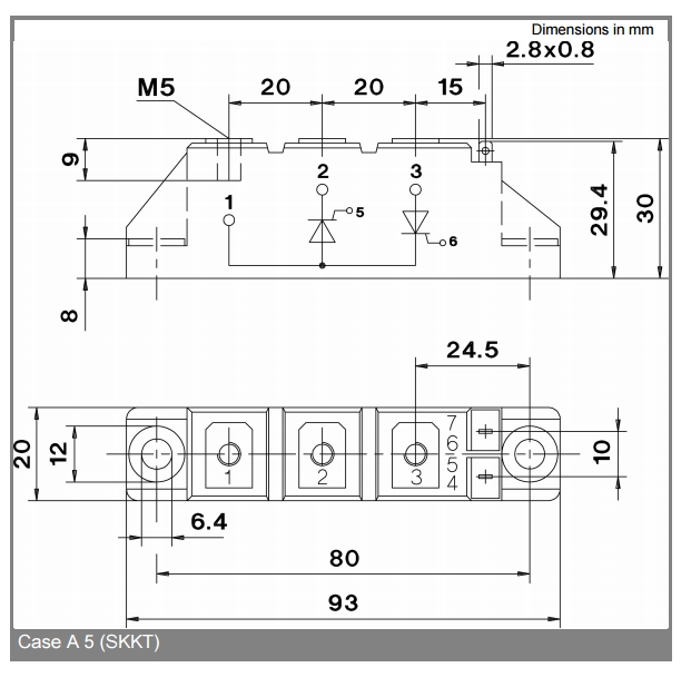
SKKT2608 Thyristor Modul bis 50A 800V SCR

Produktinformationen "SKKT2608 Thyristor Modul bis 50A 800V SCR"

SKKT26/08D Thyristormodul bis 50A 800V

  • Regelbaren Gleichstrom für Netzteile Power Supplys  
  • DC Motor Control
  • Softstart AC Motor Soft Start Funktion
  • Dimmer Hochleistungsdimmer, Dimmerpack etc. 
  • Professional light dimming ( Studio, Theater, Bühne usw. )
  • Power converter / Lighting and temperature control / 
  • Test- Steuerschaltungen / Experimentierschaltungen / Schule Versuch etc.
  • Typischer Einsatz 12V 24V 36V 48V 110V 115V 230V 380V 400V 440V AC
  • Hohe Dauerstromfähigkeit 50A bis 52A RMS
  • Hohe Strossstromfestigkeit bis 470A
  • Hohe thermische Leitfähigkeit
  • Exzellentes Energie-/Leistungsverhältnis

Technische Daten: 

  • Semikron 2fach Thyristormodul / Thyristor / Diode Modules / SCR Bridge 
  • Urrm = Max. Peak Recurrent Reverse Voltage bis 800V 
  • Itrms = 50A maximum value for continous operation ( Maximalwert für Dauerbetrieb ) 
  • I = Irms = 52A = RMS forward current Tcase=85 °C 
  • I = Durchlassstrom effektiv 58A / 77A (Id=38/50A 45°C) 
  • I = ITSM = 470A 10ms = max. forward surge current
  • Ansteuerung der Gates 
  • Igt = IGT = Gate Trigger Vurrent Igate = min 150mA 
  • Vgt = VGT = Gate Trigger Voltage = min 3V ( 25°C) 
  • Vgd = VGD = Gate non Trigger Voltage = 0,25V 
  • TGD = 1usekunde ( sehr schnell )
  • Isolationspannung: 3600 1sek ac 50Hz / 3000V 50Hz 1min 
  • Gehäues: Industry standard outline SEMIPACK-1 Gehäuse A5 = (93x20x30) 
  • Abmessungen: B:20mm L:93mm H:30mm ( Siehe Zeichnung ) 

Mit nur wenigen Bauteilen einen Dimmerpack, Hochleistungs-Motoregler aufbauen z.B. mit Treiber IC TCA785 oder 

0 von 0 Bewertungen

Durchschnittliche Bewertung von 0 von 5 Sternen

Bewerten Sie dieses Produkt!

Teilen Sie Ihre Erfahrungen mit anderen Kunden.


Produktgalerie überspringen

Ähnliche Artikel

Nur 1 auf Lager!
Rabatt
180A Gleichrichter bis 180A 1200V M6 1Phase 3Phasen Starkstrom Gleichrichter
180A Gleichrichter bis 180A 1200V M6 1Phase 3Phasen Starkstrom Gleichrichter

180A Hochleistungsgleichrichter verwendbar 1 Phasig oder als 3 Phasengleichrichter Typische Anwendung: Ladegeräte, Batterieladegeräte für LKW...Bus...KFZ, Industriegeräte, Hochleistungsnetzteile, Trafoschaltungen mit Gleichrichter, Battery DC power supplies, Field supply for DC Motors, Diode for main rectification, Schaltschrankbau, DC Stromtechnik (Galvanik), Steuerungstechnik usw. Universell verwendbar  1-phasig oder 3-phasig verwendbar Hochleistungsgleichrichter 1-phasig bis 120A oder 3-phsig bis 180A  Typischer Einsatz 12V 24V 36V 48V 110V 115V 230V 380V 400V 440V AC  Hohe Dauerstromfähigkeit 175A-180A RMS  Hohe Strossstromfestigkeit bis 1800A  Hohe thermische Leitfähigkeit  Exzellentes Energie-/Leistungsverhältnis Technische Daten: Für Einsaz bis Spannung 1200V  Urrm = Max. Peak Recurrent Reverse Voltage = 1200V URSM = Max. Non-Repetitive Peak = 1300V  Strombelastbarkeit / Durchlasstrom Dauerstrom  Für Einsatz 3 Phasen = bis 180A ( 175A IDAV = Bridge Output Current )  Für Einsatz 1 phasig  = bis 120A ( übliche Trafoschaltung )  IF(AV) = Max. Average Forward Rectified Current 175A  Stossstrom ( Peak ) IFSM = 1800A = Sinus 10ms 50Hz 1800A oder 8,3ms 60Hz = 1650A Uf je Diode = 1,65Volt UF = Max. Forward Voltage Kapaziät 35pF ( junction capacitance )  Isolationsspannung Gehäuse = 3000V RMS 50/60Hz 1sek  RoHS Ja Compliant  Betriebstemperaturbereich -40...+150°C Montageart / Industry standard outline Anschrauben bzw. Oberflächenmontage Anschlüsse Schraubkontakte = max 6x mit M6 x 12mm Feingewinde Abmessungen: L:94mm B:54mm H:30mm plus Schraubenkopf ( siehe Zeichnung )  Bohrlochmontage Abstand Mitte-Mitte: 80m Weitere Details Anschluß etc siehe weitere Bilder ! 

Verkaufspreis: 135,00 € Regulärer Preis: 149,00 € (9.4% gespart)
Rabatt
70A Gleichrichter bis 70-90A 1200V M5 1Phase 3Phasen
70A Gleichrichter bis 70-90A 1200V M5 1Phase 3Phasen

70/90A Hochleistungsgleichrichter verwendbar 1 Phasig oder als 3 Phasengleichrichter Typische Anwendung: Ladegeräte, Batterieladegeräte für LKW...Bus...KFZ, Industriegeräte, Hochleistungsnetzteile, Trafoschaltungen mit Gleichrichter, Battery DC power supplies, Field supply for DC Motors, Diode for main rectification, Schaltschrankbau, DC Stromtechnik (Galvanik), Steuerungstechnik usw. Universell verwendbar  1-phasig oder 3-phasig verwendbar Hochleistungsgleichrichter 1-phasig bis 70A oder 3-phsig bis 90A  Peak Typischer Einsatz 12V 24V 36V 48V 110V 115V 230V 380V 400V 440V AC  Hohe Dauerstromfähigkeit  70A RMS   90A gekühlt  Hohe Strossstromfestigkeit bis 480A  Hohe thermische Leitfähigkeit  Exzellentes Energie-/Leistungsverhältnis Technische Daten: Für Einsaz bis Spannung 1200V  Urrm = Max. Peak Recurrent Reverse Voltage = 1200V URSM = Max. Non-Repetitive Peak = 1300V  Strombelastbarkeit / Durchlasstrom Dauerstrom  Für Einsatz 3 Phasen = bis 70A ( 175A IDAV = Bridge Output Current )  Für Einsatz 1 phasig  = bis 70/90A ( übliche Trafoschaltung )  Stossstrom ( Peak ) IFSM = 480A = Sinus 10ms 50Hz 500A oder 8,3ms 60Hz = 1150A Uf je Diode = 1,55Volt UF = Max. Forward Voltage Isolationsspannung Gehäuse = 4000V RMS 50/60Hz 1sek  RoHS Ja Compliant  /  UL E78996 approved  Betriebstemperaturbereich -40...+150°C Montageart / Industry standard outline Anschrauben bzw. Oberflächenmontage am besten auf Kühlkörper  Anschlüsse Schraubkontakte = max 6x mit M5 x 12mm Feingewinde Abmessungen: L:94mm B:35mm H:30mm mit Schraubenkpfen 35mm  Bohrlochmontage Abstand Mitte-Mitte: 80mm Weitere Details Anschluß etc siehe weitere Bilder ! 

Verkaufspreis: 74,50 € Regulärer Preis: 85,00 € (12.35% gespart)
Rabatt
SKKT2608 Thyristor Modul bis 50A 800V SCR
SKKT2608 Thyristor Modul bis 50A 800V SCR

SKKT26/08D Thyristormodul bis 50A 800V Regelbaren Gleichstrom für Netzteile Power Supplys   DC Motor Control Softstart AC Motor Soft Start Funktion Dimmer Hochleistungsdimmer, Dimmerpack etc.  Professional light dimming ( Studio, Theater, Bühne usw. ) Power converter / Lighting and temperature control /  Test- Steuerschaltungen / Experimentierschaltungen / Schule Versuch etc. Typischer Einsatz 12V 24V 36V 48V 110V 115V 230V 380V 400V 440V AC Hohe Dauerstromfähigkeit 50A bis 52A RMS Hohe Strossstromfestigkeit bis 470A Hohe thermische Leitfähigkeit Exzellentes Energie-/Leistungsverhältnis Technische Daten:  Semikron 2fach Thyristormodul / Thyristor / Diode Modules / SCR Bridge  Urrm = Max. Peak Recurrent Reverse Voltage bis 800V  Itrms = 50A maximum value for continous operation ( Maximalwert für Dauerbetrieb )  I = Irms = 52A = RMS forward current Tcase=85 °C  I = Durchlassstrom effektiv 58A / 77A (Id=38/50A 45°C)  I = ITSM = 470A 10ms = max. forward surge current Ansteuerung der Gates  Igt = IGT = Gate Trigger Vurrent Igate = min 150mA  Vgt = VGT = Gate Trigger Voltage = min 3V ( 25°C)  Vgd = VGD = Gate non Trigger Voltage = 0,25V  TGD = 1usekunde ( sehr schnell ) Isolationspannung: 3600 1sek ac 50Hz / 3000V 50Hz 1min  Gehäues: Industry standard outline SEMIPACK-1 Gehäuse A5 = (93x20x30)  Abmessungen: B:20mm L:93mm H:30mm ( Siehe Zeichnung )  Mit nur wenigen Bauteilen einen Dimmerpack, Hochleistungs-Motoregler aufbauen z.B. mit Treiber IC TCA785 oder 

Verkaufspreis: 16,90 € Regulärer Preis: 59,00 € (71.36% gespart)
SKKT2508 Thyristor Modul bis 40A 800V SCR
SKKT2508 Thyristor Modul bis 40A 800V SCR

SKKT25/08D Thyristormodul bis 40A 800V Regelbaren Gleichstrom für Netzteile Power Supplys   DC Motor Control Softstart AC Motor Soft Start Funktion Dimmer Hochleistungsdimmer, Dimmerpack etc.  Professional light dimming ( Studio, Theater, Bühne usw. ) Power converter / Lighting and temperature control /  Test- Steuerschaltungen / Experimentierschaltungen / Schule Versuch etc. Typischer Einsatz 12V 24V 36V 48V 110V 115V 230V 380V 400V 440V AC Hohe Dauerstromfähigkeit 40A bis 42A RMS Hohe Strossstromfestigkeit bis 400A Hohe thermische Leitfähigkeit Exzellentes Energie-/Leistungsverhältnis Technische Daten:  Semikron 2fach Thyristormodul / Thyristor / Diode Modules / SCR Bridge  Urrm = Max. Peak Recurrent Reverse Voltage bis 800V  Itrms = 40A maximum value for continous operation ( Maximalwert für Dauerbetrieb )  I = Irms = 42A = RMS forward current Tcase=85 °C  I = Durchlassstrom effektiv 40A (Id=38/42A 45°C)  I = ITSM = 400A 10ms = max. forward surge current Ansteuerung der Gates  Igt = IGT = Gate Trigger Vurrent Igate = min 150mA  Vgt = VGT = Gate Trigger Voltage = min 3V ( 25°C)  Vgd = VGD = Gate non Trigger Voltage = 0,25V  TGD = 1usekunde ( sehr schnell ) Isolationspannung: 3600 1sek ac 50Hz / 3000V 50Hz 1min  Gehäues: Industry standard outline SEMIPACK-1 Gehäuse A5 = (93x20x30)  Abmessungen: B:20mm L:93mm H:30mm ( Siehe Zeichnung )   Mit nur wenigen Bauteilen einen Dimmerpack, Hochleistungs-Motoregler aufbauen z.B. mit Treiber IC TCA785 oder 

Regulärer Preis: 14,90 €