Zum Hauptinhalt springen Zur Suche springen Zur Hauptnavigation springen
schneller Versand
Telefonische Beratung
Rufen Sie gerne an
Rechnungszahlung für Firmen/Behörden
Telefon: +49 (0)7362 - 919093

ELA 100V 23W Druckkammerlautsprecher SC615M IP65 Trichterlautsprecher Edelstahl Aluminium

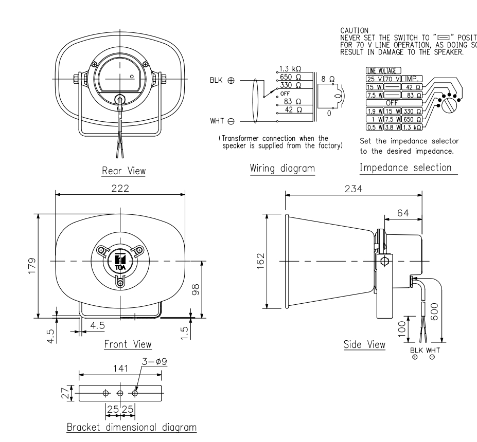
Produktinformationen "ELA 100V 23W Druckkammerlautsprecher SC615M IP65 Trichterlautsprecher Edelstahl Aluminium"

SC615M 100V ELA Trichterlautsprecher 

  • Super solider 100V ELA Druckkammerlautsprecher mit grossem Übertragungsbereich
  • Ideal für Sprache und Musikanwendungen
  • Wetterfester Trichterlautsprecher nach IP65 für den Außenbereich.
  • Die solide Konstruktion für Betriebssicherheit über viele Jahre hinaus. 
  • Trichter aus Aluminium, Anschluss aus ABS-Harz Kunststoff, weiß (etwa RAL 9010).

Die Besonderheiten von diesem System sind : 

  • Temperatureinsatzbereich  - 20°C...+ 55°C
  • Extrem Robust und stabil 
  • IP-65 Norm Spritzwasser-, bzw. Regenfest Outdoor 
  • Aluminium-Trichter mit Pulverbeschichtung 
  • Extra starke Alu-Druckguss Befestigungshalterung  
  • Halter, Schrauben und Bolzen aus Edelstahl
  • Edelstahl-Halterung samt Schrauben sorgen für die wetterfeste Fähigkeit auch Untertage
  • Kabel bzw. Heckabdeckung aus ABS-Harz 
  • Kabeleinlass geschraubt und wasserdicht 

Technische Daten:

  • Wettergeschützt nach IP65 Norm
  • Spritzwasser-, bzw. Regenfest bei der Montage mit Öffnung nach unten min  7-Grad
  • Auch für den Einsatz auf einem Boot bestens geeignet 
  • Nennbelastbarkeit: 15Watt rms max. 23Watt
  • Impedanz: siehe Tabelle weiter unten 
  • Übertragungsbereich: 280....12,500 Hz
  • Schalldruck (1W, 1m) 112 dB ( 500 bis 2,500 Hz)
  • Schalldruck bei 15W / 1m: 123dB
  • Empfindlichkeit als Mikrofon - 24 dB at 1 kHz
  • Lautsprecherkabel 600mm mit Durchmesser 6mm
  • Mit integriertem ELA-Übertrager mit Leistungsanpassung
  • bei 100V RMS (Sinusleistung) 15W / 10W / 5W / 3W
  • Drehregler auf der Leistungsanpassung
  • mit 70V: 15W / 7,5W / 5W / 2.5W / 1.5W RMS
  • Bei 100V: 670-Ohm (15 W), 1kOhm (10 W), 2kOhm (5 W), 3.3kOhm (3 W)
  • Bei 70V: 330-Ohm (15 W), 670-Ohm (7.5 W), 1kohm (5 W), 2kohm (2.5 W), 3.3kohm (1.5 W)
  • Umgebungstemperatur -20°C...+ 55°C
  • Abmessungen (BxHxT) 222 x 179 x 234 mm
  • Farbe: Weiss ( etwa RAL9010 )
  • Gewicht: 1,1kg

Zusatzinformation folgende Ausführungen sind erhältlich : 

  • Bst Nr 85-756-00210 = SC615 in 8-Ohm Ausführung 
  • Bst Nr 85-756-00240 = SC615M 23W in 100V ELA Ausführung 
  • Bst Nr 85-756-00220 = SC630 in 8-Ohm Ausführung 
  • Bst Nr 85-756-00250 = SC630M 38W in 100V ELA Ausführung 

 

0 von 0 Bewertungen

Durchschnittliche Bewertung von 0 von 5 Sternen

Bewerten Sie dieses Produkt!

Teilen Sie Ihre Erfahrungen mit anderen Kunden.


Produktgalerie überspringen

Ähnliche Artikel

Rabatt
ELA 100V 38W Druckkammerlautsprecher SC630M  IP65 Trichterlautsprecher Edelstahl
ELA 100V 38W Druckkammerlautsprecher SC630M IP65 Trichterlautsprecher Edelstahl

Super solider 100V ELA Druckkammerlautsprecher mit grossem Übertragungsbereich für Sprache und Musikanwendungen. Wetterfester Trichterlautsprecher nach IP65 für den Außenbereich. Die solide Konstruktion für Betriebssicherheit über viele Jahre hinaus. Trichter aus Aluminium. Farbe: Weiss (etwa RAL 9010). SC630M 100V ELA Trichterlautsprecher  Super solider 100V ELA Druckkammerlautsprecher mit grossem Übertragungsbereich Ideal für Sprache und Musikanwendungen Wetterfester Trichterlautsprecher nach IP65 für den Außenbereich. Die solide Konstruktion für Betriebssicherheit über viele Jahre hinaus.  Trichter aus Aluminium, Anschluss aus ABS-Harz Kunststoff, weiß (etwa RAL 9010). Besonderheiten dieses System sind :  Temperatureinsatzbereich  - 20°C...+ 55°C Extrem Robust und stabil  IP-65 Norm Spritzwasser-, bzw. Regenfest Outdoor  Aluminium-Trichter mit Pulverbeschichtung  Extra starke Alu-Druckguss Befestigungshalterung   Halter, Schrauben und Bolzen aus Edelstahl Edelstahl-Halterung samt Schrauben sorgen für die wetterfeste Fähigkeit auch Untertage Kabel bzw. Heckabdeckung aus ABS-Harz  Kabeleinlass geschraubt und wasserdicht  Technische Daten: Nennbelastbarkeit: 30 Watt rms max. 45 Watt Impedanz: -- da 100V ELA-Trafo RMS (Sinusleistung) 30W / 15W / 10W / 5W und bei Leistungsanpassung mit 70V: 30W / 15W / 7,5W / 5W / 2.5Watt RMS Übertragungsbereich: 250....10.000 Hz Schalldruck bei 1W-1m 113 dB ( 500 bis 2,500 Hz) Temperatureinsatzbereich -20°C...+ 55°C Lautsprecherkabel 600mm Durchmesser 6mm  Abmessungen (BxHxT) 285 x 227 x 277 mm Gewicht: 1,7kg Wind- Wettergeschützt nach IP65 Norm Seewasser-, Spritzwasser-, Regenfest Edelstahl Schrauben, Bolzen und Montagewinkel Trichter aus Aluminium Treibergehäuse aus ABS-Kunststoff Horn Aluminium weiss, pulverbeschichtet Für den Innen- und vor allem dem Außenbereich Extrem wasser- und hitzeresistente Membran Mit integriertem ELA-Übertrager bei Leistungsanpassung mit 100V   Zusatzinformation folgende Ausführungen sind erhältlich :  Bst Nr 85-756-00210 = SC615 in 8-Ohm Ausführung  Bst Nr 85-756-00240 = SC615M 23W in 100V ELA Ausführung  Bst Nr 85-756-00220 = SC630 in 8-Ohm Ausführung  Bst Nr 85-756-00250 = SC630M 38W in 100V ELA Ausführung   

Verkaufspreis: 95,00 € Regulärer Preis: 116,62 € (18.54% gespart)
Rabatt
ELA 100V 23W Druckkammerlautsprecher SC615M IP65 Trichterlautsprecher Edelstahl Aluminium
ELA 100V 23W Druckkammerlautsprecher SC615M IP65 Trichterlautsprecher Edelstahl Aluminium

SC615M 100V ELA Trichterlautsprecher  Super solider 100V ELA Druckkammerlautsprecher mit grossem Übertragungsbereich Ideal für Sprache und Musikanwendungen Wetterfester Trichterlautsprecher nach IP65 für den Außenbereich. Die solide Konstruktion für Betriebssicherheit über viele Jahre hinaus.  Trichter aus Aluminium, Anschluss aus ABS-Harz Kunststoff, weiß (etwa RAL 9010). Die Besonderheiten von diesem System sind :  Temperatureinsatzbereich  - 20°C...+ 55°C Extrem Robust und stabil  IP-65 Norm Spritzwasser-, bzw. Regenfest Outdoor  Aluminium-Trichter mit Pulverbeschichtung  Extra starke Alu-Druckguss Befestigungshalterung   Halter, Schrauben und Bolzen aus Edelstahl Edelstahl-Halterung samt Schrauben sorgen für die wetterfeste Fähigkeit auch Untertage Kabel bzw. Heckabdeckung aus ABS-Harz  Kabeleinlass geschraubt und wasserdicht  Technische Daten: Wettergeschützt nach IP65 Norm Spritzwasser-, bzw. Regenfest bei der Montage mit Öffnung nach unten min  7-Grad Auch für den Einsatz auf einem Boot bestens geeignet  Nennbelastbarkeit: 15Watt rms max. 23Watt Impedanz: siehe Tabelle weiter unten  Übertragungsbereich: 280....12,500 Hz Schalldruck (1W, 1m) 112 dB ( 500 bis 2,500 Hz) Schalldruck bei 15W / 1m: 123dB Empfindlichkeit als Mikrofon - 24 dB at 1 kHz Lautsprecherkabel 600mm mit Durchmesser 6mm Mit integriertem ELA-Übertrager mit Leistungsanpassung bei 100V RMS (Sinusleistung) 15W / 10W / 5W / 3W Drehregler auf der Leistungsanpassung mit 70V: 15W / 7,5W / 5W / 2.5W / 1.5W RMS Bei 100V: 670-Ohm (15 W), 1kOhm (10 W), 2kOhm (5 W), 3.3kOhm (3 W) Bei 70V: 330-Ohm (15 W), 670-Ohm (7.5 W), 1kohm (5 W), 2kohm (2.5 W), 3.3kohm (1.5 W) Umgebungstemperatur -20°C...+ 55°C Abmessungen (BxHxT) 222 x 179 x 234 mm Farbe: Weiss ( etwa RAL9010 ) Gewicht: 1,1kg Zusatzinformation folgende Ausführungen sind erhältlich :  Bst Nr 85-756-00210 = SC615 in 8-Ohm Ausführung  Bst Nr 85-756-00240 = SC615M 23W in 100V ELA Ausführung  Bst Nr 85-756-00220 = SC630 in 8-Ohm Ausführung  Bst Nr 85-756-00250 = SC630M 38W in 100V ELA Ausführung   

Verkaufspreis: 79,00 € Regulärer Preis: 95,20 € (17.02% gespart)
Rabatt
ELA 100V  15W Druckkammerlautsprecher SC610M IP65 Trichterlautsprecher
ELA 100V 15W Druckkammerlautsprecher SC610M IP65 Trichterlautsprecher

Super solider 100V ELA Druckkammerlautsprecher mit grossem Übertragungsbereich von 315...12500Hz für Sprache und Musik. Wetterfester Lautsprecher nach IP65 für den Außenbereich. Die solide Konstruktion für Betriebssicherheit über viele Jahre hinaus. Großer Übertragungsbereich.Trichter aus Aluminium, Treibergehäuse weiß (etwa RAL 9010). Technische Daten: Nennbelastbarkeit: 10 Watt rms max. 15 Watt Impedanz: 1Kohm ..... 10Kohm da 100V Übertrager integriert  Audio Übertragungsbereich: 315....12,500 Hz Schalldruck (1W, 1m) 110 dB ( 500 bis 2,500 Hz) Umgebungstemperatur -25°C...+ 55°C Lautsprecherkabel 600mm, 6mm Durchmesser, 100V ELA Trafo integriert: Leistungsanpassung bei 100V = RMS (Sinusleistung): 10W / 5W / 3W / 1W oder bei  bei   70V = RMS ( Sinusleistung): 10W / 5W / 2.5W / 1.5W / 0.5W Abmessungen (BxHxT) 172 x 161 x 188 mm ( siehe auch Zeichnung )  Gewicht: 1,3kg Wettergeschützt nach IP65 Norm. Spritwasser-, bzw. Regenfest bei der Montage mit Öffnung nach unten z.B. 10...90grad  Weitere Besonderheit Marinetauglich da ALU und Edelstahlschrauben Halter usw. Bracket, Screws and bolts: Stainless steel

Verkaufspreis: 73,00 € Regulärer Preis: 86,87 € (15.97% gespart)