Zum Hauptinhalt springen Zur Suche springen Zur Hauptnavigation springen
schneller Versand
Telefonische Beratung
Rufen Sie gerne an
Rechnungszahlung für Firmen/Behörden
Telefon: +49 (0)7362 - 919093

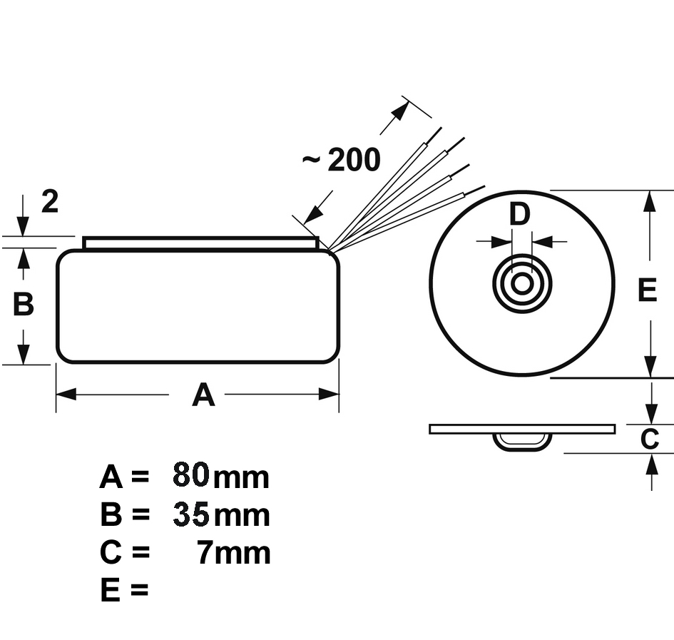
Ringkerntrafo 18V Trafo 2x18V 50VA 2x1,39A oder 36VAC In 230V 78x34mm

Produktinformationen "Ringkerntrafo 18V Trafo 2x18V 50VA 2x1,39A oder 36VAC In 230V 78x34mm"

 18V Trafo Ringkerntrafo 18V Transformator mit 50VA Leistung der auch auf 36V verschaltet werden kann  

  • Eingang: 230Vac 50/60Hz  +/-10% ( Einsatzbereich 207....253VAC)
  • Galvanisch getrennt 
  • Leistung 50VA
  • Ausgang: 2x 18V AC Wechselspannung 2x 1,39A 
  • Ausgangsstrom: 2x 1390mA = 1,39A
  • Durch die zwei 18V Ausgangswicklungen kann der Trafo auch wie folgt verschaltet werden.
  • Serienschaltung 18V+18V auf  36VAC mit 1x 1,39A oder 
  • Parallelschaltung 18V mit 1x 2,78A ( siehe auch weitere Bilder ) 
  • Anschlüsse: 2x gelb = 230VAC Eingang
  • Ausgangswicklung-1 = 18VAC Grün-Rot
  • Ausgangswicklung-2 = 18VAC Braun-Blau
  • Leerlaufstrom, typ. (230V): 10mA / Kernverlust, typ.: 0,97W
  • EN61558 Schutzart IP00
  • Isolationsklasse: TA40/E
  • Durchmesser: 80mm 
  • Höhe: ca 35mm 
  • Gewicht: 0,75g

Lieferung inkl. Befestigungssatz = 1xMetallscheibe als Druckplatte, 2xGummiringe zur Isolation

0 von 0 Bewertungen

Durchschnittliche Bewertung von 0 von 5 Sternen

Bewerten Sie dieses Produkt!

Teilen Sie Ihre Erfahrungen mit anderen Kunden.


Produktgalerie überspringen

Ähnliche Produkte

Nur 1 auf Lager!
Rabatt
18VAC Ringkerntrafo 18V Trafo 225VA 2x18V 2x6,25A oder 36V In 230V 115x50mm
18VAC Ringkerntrafo 18V Trafo 225VA 2x18V 2x6,25A oder 36V In 230V 115x50mm

18V Trafo Ringkerntrafo 2x 18V mit 225VA Leistung  Eingang: 230V AC 50Hz 2 Ausgangswicklungen je 18V ( 2x 18V ) Belastbarkeit je Wicklung 6,25A ( 2x 6,25A ) Leistung / Belastbarkeit: 225VA Somit auch zusammenschaltbar auf 36V 6,25A oder zusammenschaltbar auf 18V mit 12,5A Durchmesser: 112...115mm  Höhe: 48..50mm ( siehe Zeichnung weitere Bilder )  Gewicht: 2,1kg Galvanisch getrennt Anschlüsse 200mm lang, 10mm verzinnt Prüfspannung Prim.-Sek. 4,5 kV Zugelassen nach EN61558 ( IEC61558 ) geringes Gewicht und Raumbedarf geringstes magnetisches Streufeld Lieferung inkl. Befestigungssatz Lieferung mit zwei Neoprenscheiben und einer Metallscheibe

Verkaufspreis: 93,50 € Regulärer Preis: 98,00 € (4.59% gespart)
Ringkerntrafo 18V Trafo 120VA 2x 18V 2x3,33A In 230V 95x40mm
Ringkerntrafo 18V Trafo 120VA 2x 18V 2x3,33A In 230V 95x40mm

18V Trafo Ringkerntrafo 120VA 2x 18Volt 2x 3,33A Eingang: 230Vac 50Hz Ausgang 2x 18V AC = Wechselspannung Belastbarkeit je Ausgang 3,33A ( 2x3,33A ) Leistung: 120VA Kann auch auf 36V verschaltet werden Galvanisch getrennt Durchmesser: 95mm Höhe: 45mm Gewicht: 1,3 kg Lieferung inkl. Befestigungssatz 1xMetallscheibe als Druckplatte, 2xGummiringe zur Isolation

Regulärer Preis: 62,00 €
Rabatt
Ringkerntrafo 18V Trafo 2x18V 36V 30VA 2x0,83A In 230V 78x30mm
Ringkerntrafo 18V Trafo 2x18V 36V 30VA 2x0,83A In 230V 78x30mm

18V Trafo Ringkerntrafo 2x 18V oder 1x 36V Transformator mit 30VA Leistung in Industrieausführung in hoher Qualität mit getränkter Wicklung jedoch nicht vergossen Eingang: 230Vac 50/60Hz  +/-10% ( Einsatzbereich 207....253VAC) Galvanisch getrennt  Leistung 30VA Ausgang: 2x 18V AC Wechselspannung 2x 0,83A  Ausgangsstrom: 2x 830mA = 0,83A Durch die zwei 18V Ausgangswicklungen kann der Trafo auch wie folgt verschaltet werden. Serienschaltung 18V+18V auf  36V mit 1x 0,83A oder  Parallelschaltung 18V mit 1x 1,66A ( siehe auch weitere Bilder )  Anschlüsse: 2x gelb = 230VAC Eingang Ausgangswicklung-1 = 18VAC Grün-Rot Ausgangswicklung-2 = 18VAC Braun-Blau EN61558 Schutzart IP00 Isolationsklasse: TA40/E Durchmesser: 78mm  Höhe: ca 30mm  Gewicht: 0,50Kg Lieferung inkl. Befestigungssatz 1xMetallscheibe als Druckplatte, 2xGummiringe zur Isolation

Verkaufspreis: 36,00 € Regulärer Preis: 49,00 € (26.53% gespart)
Ringkerntrafo 18V Trafo 80VA 2x18V 2x2,22A oder 36V 98x49mm
Ringkerntrafo 18V Trafo 80VA 2x18V 2x2,22A oder 36V 98x49mm

2x 18VAC Trafo oder 1x 36V Trafo mit 80VA vergossen  Durchmesser: 98mm Höhe: 49mm Gewicht: 1,0kg Galvanisch getrennt / Trafo vergossen im isolierten Becher Eingang: 230Vac 50Hz ( 207-253VAC ) Ausgang 2x 18VAC je 2,22A = 2222mA ersetzt unter anderem auch 2x 18VAC oder 1x 18VAC oder1x 36V Trafo Beschaltbar auf 2x18V je 2,22A oder  1x18V mit 4,44A oder auch auf 1x 36V 2,22A Kernverluste: 0,51W typisch / Kupferverluste 11,8W typisch KEMA Nr 2060938.03 für Sicherheits-Trenntransformatoren Kabellänge ca. 200mm Kabelfarben: Eingang 230VAC = Gelb / Gelb Ausgang: Sekundär Spule-1 = 18VAC = Grün = Usek / Rot = 0V Sekundär Spule-2 = 18VAC = Braun = Usek / Blau  = 0V Lieferung vergossener Trafo ohne Schraube Innendurchmesser Bohrung für Gewindestange oder Schraube = 5mm

Regulärer Preis: 72,00 €
Rabatt
18V Trafo 1000VA Ringkerntrafo 2x18V oder 36V In 230V 165x77mm
18V Trafo 1000VA Ringkerntrafo 2x18V oder 36V In 230V 165x77mm

1000VA  Trafo 230V auf 2x 18V je 27,8A oder 230V auf 1x 36VAC mit 27,8A  18VAC Trafo mit höher Leistung. Ideal für Neuaufbau oder auch als Ersatztrafo mit opzionalem Gleichrichter und Elko für die 24V DC Steuerungstechnik,  Verstärker, Baugruppen, Beleuchtung verwendbar.  Technische Daten des Trafos :  Leistung: 1000VA Ringkerntrafo mit galvanischer Trennung zwischen Eingang und Ausgang  Eingangsspannung / Primärspannung 230VAC ( Range +/-10% = 207-253VAC ) 47-60Hz Ausgangsspannung / Sekundärspannung 2x18V ( Nennspannung bei Input 230VAC ) Ausgangsstrom bei 2x18V je 27,7A somit bei Betrieb des Trafos in Parallelschaltung der Ausgangswicklung auf 1x18VAC = 55,45A Serienschaltung der Ausgangswicklung auf 1x36VAC = 27,7A Kernverluste: 4,8W / Kupferverluste: 43W Leerlaufspannung Ausgang ohne Last 2x18,8VAC Leerlaufstrom, typ. (230V): 38mA Kabelanschlüße je 200mm : Eingang : Gelb - Gelb ( DM 1,5mm ) = Anschlüsse: 2x gelb = 230VAC Eingang Kupferdraht / Wickeldraht DM 1,4mm mit Isolierschlauch überzogen Doppelt isoliert über die ganze Länge mit 200mm länge und 10mm Drähte abisoliert Schutzart IP00 Normen und Zulassungen: Prüfspannung (prim./sek.) = 4,2 kVTemperaturbeständigkeit 60-70°CBetriebstemperatur, max. 120 °CEndtemperatur im Kurzschlussfall, max. 200 °CIsolationswiderstand, min. (500V DC)10 MOhmErfüllt Normen :  UNE EN 61558 \ UNE-EN 60204-1:2019 \ 2011/65/EU ( RoHs Ja )CEM2014/30/ EU n1107/2009 \ 2014/35/UE AAnlaufkurzströme Die Ringkerntransformatoren weisen beim Anlauf in der Regel höhere Kurzzeitströme auf als herkömmliche Transformatoren, da im Kern keine Luftspalte vorhanden sind. Aus diesem Grund empfehlen wir Ihnen, die Stromversorgung mit trägen Sicherungen. Empfohlene Primärsicherung 5.5A Abmessungen: Durchmesser: 165mm / Höhe: 77mm Gewicht: 7,1Kgr. Lieferung inkl. Befestigungssatz 1xMetallscheibe als Druckplatte, 2xGummiringe zur Isolation Zusatzinformationen ( siehe auch weitere Bilder ) :  Plan-1 = Beschaltung des Trafos 2x 18VAC Ausgang = 2x 500VA = 2x 27,8A Plan-2 = Beschaltung des Trafos 1x 18VAC Ausgang = 1x 1000VA = 1x 55,55A Plan-3 = Beschaltung des Trafos 1x 36VAC Ausgang = 1x 1000VA = 1x 27,8A  Emfohlene Produkte für den Ausgang des Trafos über Gleichrichterdioden für den Aufbau eines 24V DC Hochleistungsnetzteils mittels diesem Kupfertrafo  Art-Nr   9-640-00352 = Gleichr. Hochlast    246A = 2xDioden je bis 123A 200V UF0,9V Art-Nr 25-716-00024 = Elko 10000 uf 100V steh. H:63x40mm RM:10 bis 105°C FTCAP Art-Nr 31-842-00232 = ATC   30A Sicherung Stecksicherung ( Niedervolt-Sicherung ) Art-Nr 31-843-00130 = ATC Sicherungshalter bis 30A  Alternativ  Art-Nr 31-842-00430 = AGU  30A Sicherung 38x10mm ( Niedervolt-Sicherung )  Art-Nr 31-843-00045 = AGU Sicherungshalter 2-fach mit Kabelanschluß  Art-Nr 39-400-00002 = Verteilerblock  vergoldet   

Verkaufspreis: 315,00 € Regulärer Preis: 386,75 € (18.55% gespart)
Ringkerntrafo 18V Trafo 2x18V 80VA 2x2,22A oder 36V In 230V 90x36mm
Ringkerntrafo 18V Trafo 2x18V 80VA 2x2,22A oder 36V In 230V 90x36mm

80VA Trafo 2x 18V Ringkerntrafo 2x18Volt 80VA 2x2,22A  Eingangsspannung: 230V AC 50/60Hz  ( Range 207-253VAC 48-60Hz )  Leistung: 80VA Sicherheits-Trenntransformatoren / Galvanisch getrennt Ausgangsspnnung: 2x 18V AC 2x 2,22A Verwendung unter anderem auch 2x 18VAC oder 1x 18VAC oder1x 36V Trafo Beschaltbar auf 2x18V je 2,22A oder 1x18V mit 4,44A oder auch auf 1x 36V 2,22A Kabellänge ca. 200mm Kabelfarben: Eingang 230VAC = Gelb / Gelb Ausgang: Sekundär Spule-1 = 18VAC = Grün = Usek / Rot = 0V Sekundär Spule-2 = 18VAC = Braun = Usek / Blau = 0V Wirkungsgrad: 90% Integrierter Temperaturschutz  Isolationsklasse: ta 40 / 11/10C Kupferverlust, typ. (120°C): 11,8W Kernverlust, typ.: 0,51W Leerlaufstrom, typ. (230V): 5,6mA Abmessungen: Durchmesser 90mm / Bauhöhe 34mm Lieferung inkl. 2x Isolierscheiben 1x 70mm Metallscheibe mit Schraube/Mutter zur Befestigung Gewicht: 1000 g TIPP und Zusatzinformationen: Dieser 18VAC Trafo ist der Klassiker und 24V DC ( Gleichspannung zu erzeugen ). Mittels einem Brückengleichrichter und einem 4700uF Elko erzeugen Sie mit diesem Trafpo dann belastet 24-26V Gleichspannung. Berechnungsfaktor mit Elko 18VAC x  1,41 = ca. 25,4Volt DC.  Faustformel für ELKO = Kapazität je 1A ca. 1000uF  Unsere Empfehlung für den Aufbau eines 24V DC Netzteils wäre da wie folgt :  Bst Nr 25-716-00076 = 4700uF EKO 35V  Bst Nr  9-640-00061  = B40C7000/4000 Printversion oder  Bst Nr  9-640-00011  =  FB2502 Metallbrückengleichrichter mit Steckschuhen   

Regulärer Preis: 65,00 €
Nur 2 auf Lager!
Rabatt
18VAC Ringkerntrafo 18V Trafo 160VA 2x18V oder 36VAC
18VAC Ringkerntrafo 18V Trafo 160VA 2x18V oder 36VAC

18V Trafo Ringkerntrafo 18V Transformator mit 160VA Leistung Eingang: 230Vac 50/60Hz  +/-10% ( Einsatzbereich 207....253VAC) Galvanisch getrennt  Leistung 160VA Ausgang: 2x 18V AC Wechselspannung 2x 4,44A  Ausgangsstrom: 2x 4440mA = 4,44A Durch die zwei 18V Ausgangswicklungen kann der Trafo auch wie folgt verschaltet werden. Serienschaltung 18V+18V auf  36V mit 1x 4,44A oder  Parallelschaltung 18V mit 1x 8,88A ( siehe auch weitere Bilder )  Anschlüsse: 2x gelb = 230VAC Eingang Ausgangswicklung-1 = 18VAC Grün-Rot Ausgangswicklung-2 = 18VAC Braun-Blau Leerlaufstrom, typ. (230V): 10mA / Kernverlust, typ.: 0,97W Kupferverlust, typ. (120°C): 20,8W EN61558 Schutzart IP00 Isolationsklasse: TA40/E Durchmesser: 104mm  Höhe: ca 44mm  Gewicht: 1,76g Lieferung inkl. Befestigungssatz 1xMetallscheibe als Druckplatte, 2xGummiringe zur Isolation

Verkaufspreis: 69,00 € Regulärer Preis: 84,95 € (18.78% gespart)