Zum Hauptinhalt springen Zur Suche springen Zur Hauptnavigation springen
schneller Versand
Telefonische Beratung
Rufen Sie gerne an
Rechnungszahlung für Firmen/Behörden
Telefon: +49 (0)7362 - 919093

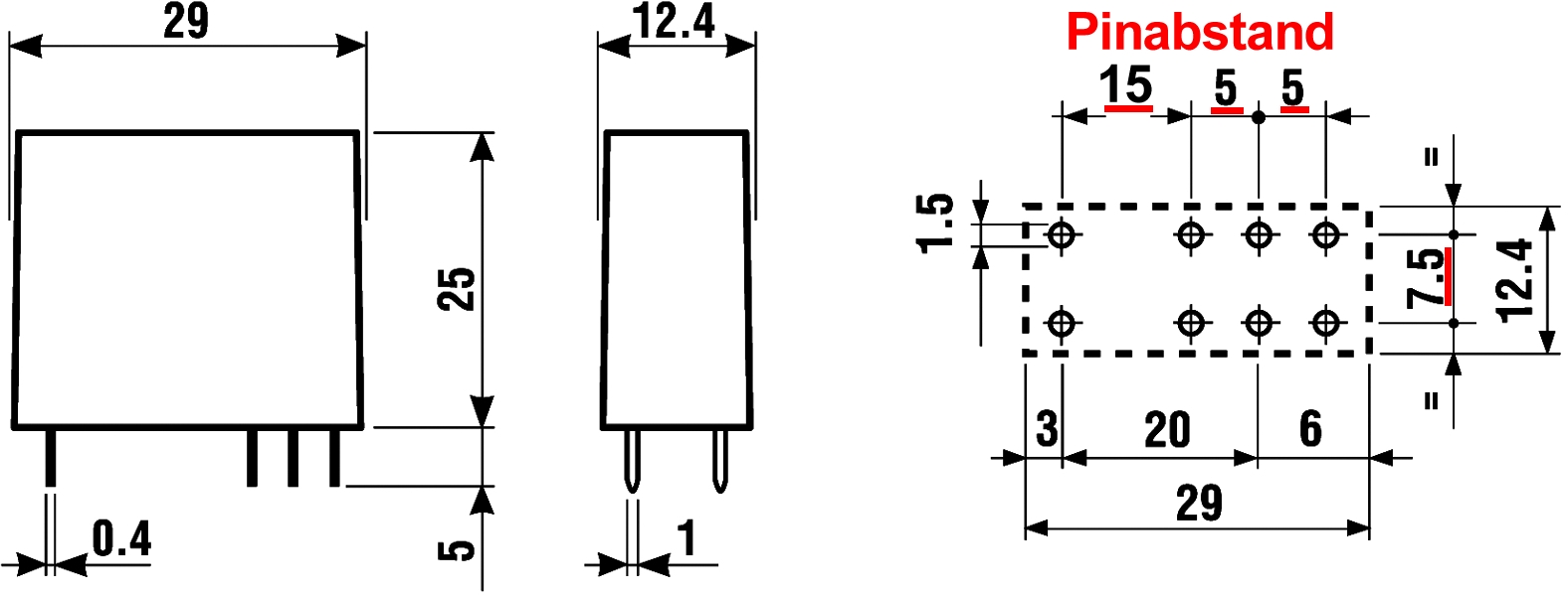
24V Relais DC Spule 1xUM SPDT 1xWechsler 16A 250V 4061-Serie

Produktinformationen "24V Relais DC Spule 1xUM SPDT 1xWechsler 16A 250V 4061-Serie"

24V Relais mit 1x Wechsler 16A bis 250V ( 400VAC ) 

  • Leiterplatten oder auch Steckrelais 
  • Spule: 24V DC mit 900-Ohm 26,66mA ( Einsatzbereich Spule Range 18...34V )
  • Kontakt = 1x Wechslerkontakt (1x UM-Kontakt)
  • Kontaktmaterial = AgCdO
  • Kontaktbelastbarkit bis 16A 250V ( max 400V AC )
  • Max. Dauerstrom = 16A max. Einschaltstrom 30A*
  • Kontakte-Nennspannung bis 250VAC max. Schaltspannung 400V 
  • Kontaktbelastbarkeit
  • Max. Kontakt-Schaltleistung AC-1 = bis 4000VA = 4KW 
  • Max. Kontakt-Schaltleistung AC15 = bis 750VA oder bei 
  • Einzelphasen Motor bei 230VAC bis 0,55KW 
  • Max. Schaltstrom bei Gleichspannung DC1: 30V = 16A / 110V = 0,3A / 230V 0,12A
  • Ansprechzeit: 7ms
  • sichere Trennung nach EN50178 und EN 60335
  • zwischen Spule und Kontaktsatz 6 kV ( 1,2/50µs )
  • 8mm Luft- und Kriechstrecke
  • Temperatur-Einsatzbereich -40° .... +85°C
  • Abmessungen: 
  • Korpus: B:29mm H:25mm T:12,4mm
  • Rastermaß siehe auch Zeichnung 
  • RM:7,54mm ( Spule erste Kontaktreihe 15mm dann 5mm - 5mm )
  • ersetzt auch sehr viele Modelle von OMRON, Goodsky, Wallek, Schrack, Tyco usw.

Optional erhältlich passende Fassungen siehe Zubehör Reiter unten

  • Bst Nr 47-827-00060 = Fassung für die Leiteplatten / Platine
  • Bst Nr 47-527-00020 = Fassung für Hutschiene mit Schraubkontakten oder
  • Bst Nr 47-527-00040 = Fassung für Hutschiene mit Schraubkontakten

0 von 0 Bewertungen

Durchschnittliche Bewertung von 0 von 5 Sternen

Bewerten Sie dieses Produkt!

Teilen Sie Ihre Erfahrungen mit anderen Kunden.


Produktgalerie überspringen

Zubehör

Rabatt
Relais 24V DC Spule 1xEIN SPST 1xSchliesser Kontakt 10A 250V OM
Relais 24V DC Spule 1xEIN SPST 1xSchliesser Kontakt 10A 250V OM

24V Relais waschdichtes Platinen Printrelais bzw. Netzrelais. Typischer Einsatz Steuerungsplatinen und als Ersatzteil   Technische Daten: Spule 24VDC Einsatzbereich: 12-36V 3,5kOhm z.B. 12V (4mA) oder 24V (7mA) Kontakt: 1x Schlieser (1xEIN) Kontakte/Pins insgesamt 4 Kontaktbelasbarkeit 10A bei 250V (AC) Leistung Kontakte max. 2500VA Abmessungen: B: 29mm H: 20mm / T:12,5m Kontaktabstände: Spule: 7,62mm / Kontakte: 20mm + 3mm  

Verkaufspreis: 2,00 € Regulärer Preis: 4,99 € (59.92% gespart)
Ausverkauft
24V Relais 24V DC Spule 1xUM SPDT Wechslerkontakt bis 5A 250Vac V23057 Serie
24V Relais 24V DC Spule 1xUM SPDT Wechslerkontakt bis 5A 250Vac V23057 Serie

24V Relais ersetzt KR510024 / V23057-B0006-A101 / V23027X / RP10024S und viele weitere mehr. Print-, bzw. Leiterplatten Leistungsrelais Sehr gängiges Kleinrelais, findet Einsatz in unzähligen Schaltungen und Steuerungen auch von Buderus usw.    Ersetzt Wallek / RP10024S / KR510024 / V23057-B0006-A101 / V23027X und viele weitere mehr. Daher auch interessant als Ersatzrelais in Heizungssteuerungen, Schaltungen aller Art Waschdichtes Printrelais ( Leiterplattenrelais ) Spule: 24V (DC) mit 1200-Ohm  Spulenbereich: 16,6...31V DC Coil-Power: 450-500mW Dielectric strength coil-contact circuit 4000V rms Dielectric strength open contact circuit 1000V rms Leistungsrelais mit 1xWechsler Kontakt (UM) Kontakt Material  AgNi20 ... AgNi0,15 Kontakt-Belastbarkeit: 5A 250V (AC) max. 1250VA Contact-Ratings nach IEC61810 = 5A 250VAC / nach UL508 = 8A 250VAC  Kontakt Schliesser: 4 auf 5 ( Ruhezustand offen ) Konttakt Öffner :     4 auf 3 ( Ruhezustand geschlossen ) Standard: 250VAC + Max. Switching Voltage 400VAC ( siehe auch weitere Bilder ) Temperatur Einsatzbereich: -40...+70°C Rastermaß auf Platine: 7,62 Spule / 5,08 Kontakt ( siehe Zeichnung ) Abmessungen: B:27,8mm H:24.5mm T:10.5mm Zeichnung Pinlayout und weitere Infos siehe weitere Bilder !  Dieses Profi-Relais-Serie ist erhältlich wie folgt :     Art-Nr 47-826-00360 = 12V Spule Kontakt 5/8A 250VAC Art-Nr 47-826-02308 = 12V Spule Kontakt 8/15A 250VAC Alternativ  Art-Nr 47-826-00365 = 24V Spule Kontakt 5/8A 250VAC Art-Nr 47-826-00623 = 24V Spule Kontakt 8/15A 250VAC   Zusatzinformation:  Weitere 24V Relais zur Buderus Steuerung halbhohe Bauform zur Serie Buderus Ecomatic 3000  = Nr 47-826-04510  ( Nr unter Suche eingeben )  oder unten Register ( Ähnliche Atikel )  Zusatzinfo und Fragen eines Kunden :   In wie fern das das oben genannte als Ersatztyp eingesetz werden kann   1) vom Pinlayout aus  2) vom Rastermaß aus und der Kontaktbelegung  3) von den Abmessungen her  4) von der Schaltleistung des Kontaktes  5) von der Isolation her 4KV Coil-Kontakt her auch  Diese Relais von Siemens TE Tyco gibt es seit Jahrzehnten die Bezeichnung definiert  Bezeichnung V23057-Bxxx = B = vertical = stehend  Bezeichnung V23057-Axxx = A = horizontal = liegend z.B. A oder B dann Zahl 0002 = 12V / 0006 = 24V  / 0013 = 48V = Spulenspannung   Kontakte = A101 AGNi  / A102 AgNi / A201 AgNi / A202 AGNi / A901 AGSnO / A401 AgCdO zur Erklärung AgCd ist = Silber-Cadmium-Kontakt = Cadium ist verboten worden vom Material her, die Kontakte sind durch andere Materialen ersetzt worden , dadurch ersetzt es auch A401 aus der Vergangenheit  

Regulärer Preis: Ab 17,90 €
Rabatt
Relaisfassung für Platine zu 4051 4052 4061 4161 G2R2 usw
Relaisfassung für Platine zu 4051 4052 4061 4161 G2R2 usw

Relaisfassung für Platinen bzw. Leiterplatte  passend für die meisten Standard Steckrelais mit 1xUM oder 2xUM z.B. Finder F4051, F4052, F4061, F4152, F4161 und F4181 uvwm. wie Omron G2R2 etc.  Relaisfassung zum Einbau in gedruckte Schaltung, Platinen, Leiterplatten usw  Anschluss löten auf Platinen = Print Printfassung Isolierkörper aus selbstlöschendem PPEm (V1) Kontaktzungen aus CuSn6 Farbe: Blau Abmessungen: Länge: 31mm B:12,6mm H:9,1mm ( siehe auch Zeichnung weitere Bilder )  Betriebstemperatur -40 °C - 70 °C Raster Längs = 5,0mm / Quer 7,5mm ( siehe weitere Bilder )  Schutzart IP20 Belastbarkeit bis 10A 250/400V ( Rated values 10A 250/400V )  Spannungsfestigkeit bis 6 kV Dielectric strength 6 kV (1.2/50 μs) between coil and contacts Protection category Zulassungen cULus, GOST Verwendung für Relais der Serie F4051, F4052, F4061, F4152, F4161 und F4181 uvwm. wie Omron G2R2 etc.  Optional erhältlich = Relais Metall Halteklammer fals benötigt = Bst Nr 47-827-00070  

Verkaufspreis: 2,00 € Regulärer Preis: 2,50 € (20% gespart)
Relaisfassung für Hutschiene DIN-Schiene zu 4051 4052 4061 4152 4161 4452 4462 usw G2R2
Relaisfassung für Hutschiene DIN-Schiene zu 4051 4052 4061 4152 4161 4452 4462 usw G2R2

Relaisfassung Schraubfassung mit integrierter Schnappbefestigung für DIN-Schiene, sowie Aufnahme für Anzeige- und EMV-Entstörmodule. Sichere Trennung zwischen Spule und Kontakten Hutschienenrelaisfassung für übliche Findersteckrelais der Serien F4051, F4052, F4061, F4152, F4161 uvwm z.B. auch von OMRON G2R2 Für Relais mit 2x Wechsler (UM) Kontakten plus Spule = 8 Pins-, bzw. Steckkontakte passend zu allen typischen 35mm Hutschienen / DIN-Schienen Schraubfassung mit integrierter Schnappbefestigung für DIN-Schiene, sowie Aufnahme für Anzeige- und Entstörmodule. Sichere Trennung zwischen Spule und Kontakten.  Hutschienen-Relaisfassung für übliche Finderrelais der  Serien 4051 4052 4061 4152 4161 4452 4462 usw auch Omron G2R2 Für Relais mit 1 oder 2x Wechsler (UM) Kontakten plus Spule = 8 Pins-, bzw. Steckkontakte.  Abmessungen Länge 81,9mm / B:15,5mm / H:47mm ( siehe Zeichnung )  Farbe: Blau / Schutzart IP20  Umgebungstemperatur -40...+70°C  Belastbarkeit je Kontakt bis : 10A 300Vac Belastbarkeit je Kontakt bis : 12A 150Vac Anschlußart Schraubkontakte : Max. Anschlussquerschnitt wie folgt  Bei eindrähtigen Kabel max 1x6qm oder 2x 2,5qmm  Bei mehrdrähtig Litzen max 1x 4qmm oder 2x 2,5qmm Optional erhältliches Zubehör hierzu  47-827-00215 = 95.71    Haltebügel (Metall)  47-827-00210 = 95.91.3 Haltebügel (Kunsttoff) Variclip” Halte- und Demontagebügel  95.08    Kammbrücke zum Verbinden der A1 oder A2  95.80.3 Bezeichnungsschild für Fassung (Kunststoff, weiss), (7x15) mm  60.72    Bezeichnungsschild-Matte für “Variclip” weiss 72 Schilder, (6x12) mm, zum Bedrucken mit Plotter div Anzeige- und EMV-Entstörmodule z.B.  47-827-00230 = 99.80.3.000.00 = Freilaufdiode (+ an Klemme A1 ) ohne LED  47-827-00240 = 99.80.9.024.99 = grüne LED + Freilaufdiode (+ an Klemme A1) für Einsatz ( 6...12...24V DC)   99.80.9.060.99 = grüne LED + Freilaufdiode (+ an Klemme A1) für Einsatz ( 28...48..60V DC)   99.80.0.024.98 = grüne LED Anzeige mit Überspannungs-Varistor für Einsatz ( 6..12..24V DC/AC)   99.80.0.060.98 = grüne LED Anzeige mit Überspannungs-Varistor für Einsatz ( 28..48..60V DC/AC)   99.80.0.230.98 = grüne LED Anzeige mit Überspannungs-Varistor für Einsatz ( 110..240V DC/AC)  99.80.0.024.09 = EMV Entstörmodule RC-Modul für Einsatz ( 6..12..24V DC/AC )   99.80.0.060.09 = EMV Entstörmodule RC-Modul für Einsatz ( 28..48..60V DC/AC )   99.80.0.230.09 = EMV Entstörmodule RC-Modul für Einsatz ( 1106...240V DC/AC )   Zeitmodule gibt es zu dieser Fassung nicht

Regulärer Preis: Ab 6,65 €
Ausverkauft
Rabatt
Relaisfassung für Hutschiene DIN-Schiene zu 4051 4052 4061 4152 4161 4452 4462 usw G2R2
Relaisfassung für Hutschiene DIN-Schiene zu 4051 4052 4061 4152 4161 4452 4462 usw G2R2

Relaisfassung Schraubfassung mit integrierter Schnappbefestigung für DIN-Schiene, sowie Aufnahme für Anzeige- und EMV-Entstörmodule. Sichere Trennung zwischen Spule und Kontakten Hutschienenrelaisfassung für übliche Findersteckrelais der Serien F4051, F4052, F4061, F4152, F4161 uvwm z.B. auch von OMRON G2R2 Für Relais mit 2x Wechsler (UM) Kontakten plus Spule = 8 Pins-, bzw. Steckkontakte passend zu allen typischen 35mm Hutschienen / DIN-Schienen Schraubfassung mit integrierter Schnappbefestigung für DIN-Schiene, sowie Aufnahme für Anzeige- und Entstörmodule. Sichere Trennung zwischen Spule und Kontakten.  Hutschienen-Relaisfassung für übliche Finderrelais der  Serien 4051 4052 4061 4152 4161 4452 4462 usw auch Omron G2R2 Für Relais mit 1 oder 2x Wechsler (UM) Kontakten plus Spule = 8 Pins-, bzw. Steckkontakte.  Abmessungen L: 81,9mm / B:15,5mm / H:64,8mm ( siehe Zeichnung )  Farbe: Blau / Schutzart IP20  Umgebungstemperatur -40...+70°C  Belastbarkeit je Kontakt bis : 10A 300Vac Belastbarkeit je Kontakt bis : 12A 150Vac Anschlußart Schraubkontakte : Max. Anschlussquerschnitt wie folgt  Bei eindrähtigen Kabel max 1x6qm oder 2x 2,5qmm  Bei mehrdrähtig Litzen max 1x 4qmm oder 2x 2,5qmm Optional erhältliches Zubehör hierzu 47-827-00215 = 95.71    Haltebügel (Metall) 47-827-00210 = 95.91.3 Haltebügel (Kunsttoff) Variclip” Halte- und Demontagebügel  95.08    Kammbrücke zum Verbinden der A1 oder A2  95.80.3 Bezeichnungsschild für Fassung (Kunststoff, weiss), (7x15) mm  60.72    Bezeichnungsschild-Matte für “Variclip” weiss 72 Schilder, (6x12) mm, zum Bedrucken mit Plotter div Anzeige- und EMV-Entstörmodule z.B.  47-827-00230 = 99.80.3.000.00 = Freilaufdiode (+ an Klemme A1 ) 47-827-00240 = 99.80.9.024.99 = grüne LED + Freilaufdiode (+ an Klemme A1) für Einsatz ( 6...12...24V DC)   99.80.9.060.99 = grüne LED + Freilaufdiode (+ an Klemme A1) für Einsatz ( 28...48..60V DC)   99.80.0.024.98 = grüne LED Anzeige mit Überspannungs-Varistor für Einsatz ( 6..12..24V DC/AC)   99.80.0.060.98 = grüne LED Anzeige mit Überspannungs-Varistor für Einsatz ( 28..48..60V DC/AC)   99.80.0.230.98 = grüne LED Anzeige mit Überspannungs-Varistor für Einsatz ( 110..240V DC/AC)  99.80.0.024.09 = EMV Entstörmodule RC-Modul für Einsatz ( 6..12..24V DC/AC )   99.80.0.060.09 = EMV Entstörmodule RC-Modul für Einsatz ( 28..48..60V DC/AC )   99.80.0.230.09 = EMV Entstörmodule RC-Modul für Einsatz ( 1106...240V DC/AC )   Zeitmodule gibt es zu dieser Fassung nicht Passende Relais und Zubehör hierzu finden Sie unter der Rubrik Zubehör 

Verkaufspreis: 7,00 € Regulärer Preis: 10,55 € (33.65% gespart)
Produktgalerie überspringen

Ähnliche Produkte

Neu
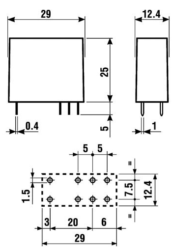
24V Relais DC Spule 1xUM SPDT 1xWechsler 10A 250V 4031-Serie Monostabil
24V Relais DC Spule 1xUM SPDT 1xWechsler 10A 250V 4031-Serie Monostabil

24V Relais Monostabil Einsatz Platinen, Leiterplatten oder auch Steckrelais mit 5 Kontakten 1x Wechsler Kontakt Kontakt bis 10A 250VAC  Schaltleistung 3000VA  Kontaktbelastbarkeit: 10A / 250VAC ( typisch ) Kontakt Schaltstrom 10A / Dauerstrom 12A / Einschaltstrom 20A ) Schaltsüpannung max AC = 400VAC Lötfest bis 260°C, 5sek Spule: 24V ( DC ) Spule: 900-Ohm / Range : 17,5-30VDC max 36VDCAbm.: B:29mm H:25mm T:12,4mmRelais Kontaktraster RM 3,5mm und 7,5mm ( siehe auch Zeichnung weitere Bilder )  1 Wechsler typischer Einsatz auf Leiterplatte, Platine oder auf Fassung Raster 3,5mm / 7,5mm 8mm Luft- und Kriechstrecke zwischen Spule und Kontakt: 6KV  Erfüllt EN 60335-1 / RoHS Ja Anforderungen an unbeaufsichtigte Hausgeräte (Glühdrahtprüfung)Relaisschutzart RT II - fluxdicht (Standard) Typischer Einsatz : + Medizin- und Zahnmedizin-Technik+ Bedienfelder+ Schaltschränke für elektrische Verteilungen+ Tür- und Toröffner+ Jalousien-Rollläden- und Fensterläden-Antriebe+ elektronische Baugruppen, Schaltanlagen, Platinen, Schaltschränke usw. Automaten

Regulärer Preis: Ab 4,59 €
> 500 lagernd
Rabatt
24V Relais DC Spule 2xUM DPDT 2xWechsler je Kontakt 8A 250V 4052
24V Relais DC Spule 2xUM DPDT 2xWechsler je Kontakt 8A 250V 4052

24V Relais mit 2x Wechslerkontakten ( 2xUM ) je 8A 250/400V 24V DC Relais Für Leiterplatte oder Fassung  Spule: 24V (DC) Spule: 900-Ohm = 27mA ( Einsetzbar im Arbeitsbereich 17,5...36V ) 2 Wechslerkontakten ( 2x Schliesser und 2x Öffner )  Kontaktbelastbarkeit max 2 x 8A bis  Kontakte Nennspannung bis max. Schaltspannung 250/400 VAC Kontakte Max. Schaltleistung      AC1 = 2000VA  Kontakte 1-Phasenmotorlast       AC3 = Betrieb (230VAC) 0,3kW  Kontakte bis max. Schaltleistung AC15  = (230VAC) 400VA Kontakte bis max. Schaltstrom  DC1  = Gleichspannung = 30VDC 8A / 110VDC 0,3A / 220VDC 0,12A   Als Leiterplatten- oder auch Steckrelais mit passender Fassung verwendbar Ansprech-/Rückfallzeit = 7/3ms  8 Kontakten insgesamt (2x für Spule und 6x für Kontakte) Kontaktmaterial Standard AGNi   Abmessungen: B:29mm H:25mm T:12,4mm  Raster Längs = 5,0mm / Quer = 7,5mm  ( siehe auch Zeichnung weitere Bilder )  Ersetzt unter vielen weiteren Relais-Modelle auch Eberle D0409 03028 03 GrC/250 22-26V sowie V23037-A0005 usw. Standard-Leistung-Relais für Fassungen und Leiterplatte mit grossen Leistungsreserven und den meisten Zulassungen Sichere Trennung zwischen Spule und Kontaktsatz nach EN 50178, EN 60204 und EN 60335 6000V (1,2/50 us), 8mm Luft- und Kriechstrecke Spulen 500mW Verbrauch  5mm lange Pins zur zuverlässigen Kontaktierung in Fassungen Relaisschutzart RT-II nicht Waschdicht   Einsatzbereich bzw. Umgebungstemperatur -40 bis + 85 °C  Zusatzinformation zu den Kontakten in der Gebrauchskategorie für Wechselspannung / Gleichspannung  AC1   Angaben IEC60947-4-1 = Ohmsche Lasten, nicht induktive oder schwach induktive Lasten.  AC3   Angaben IEC60947-4-1 = Käfigläufermotoren: Anlassen. Ausschalten während des Laufes  AC15 Angaben IEC60947-5-1 = Steuern von elektromagnetischer Last bei Wechselspannung DC1   Angaben IEC60947-4-1 = Ohmsche Lasten, nicht induktive oder schwach induktive Last passendes Zubehör siehe im Zubehör Register ( Beispiele )  Bst Nr 47-827-00060 = Relaisfassung für Platine  Bst Nr 47-827-00050 = Relaaisfassung für Hutschiene ( DIN Rail TS35 Standard )  Bst Nr 47-827-00020 = Relaaisfassung für Hutschiene ( DIN Rail TS35 Arretierbar ) 

Verkaufspreis: 7,25 € Regulärer Preis: 8,50 € (14.71% gespart)