Zum Hauptinhalt springen Zur Suche springen Zur Hauptnavigation springen
schneller Versand
Telefonische Beratung
Rufen Sie gerne an
Rechnungszahlung für Firmen/Behörden
Telefon: +49 (0)7362 - 919093

SSR Solid State Relais 230V bis 40A IN 3-32V DC Triac Ausgang

Produktinformationen "SSR Solid State Relais 230V bis 40A IN 3-32V DC Triac Ausgang"

SSR Elektr. Lastrelais Solid State Relais bis 40A belastbar 

Ersetzt unter anderen auch V23103-S2033-B105 oder V23103-S2032-B402 oder WGA3-12DZ25Z ( ggf. einfach mit Litzen oder Drähten verbinden ! ) 

Elektronisches Relais (Solid State Relais) 1-phasig für Wechselspannung

  • Triac Ausgang mit RC Entstörglied 
  • SSR Elektronisches Lastrelais(Solid State Relais) 1-phasig
  • Triac Ausgang für Schaltschrankmontage oder Einbau in Verteiler, Gehäuse usw.
  • Dieses SSR Ersetzt viele Arten von SSRs mit üblichen Optokoppler Eingangs Standards.
  • Hockey-Puck Gehäuse mit Schraubkontakten
  • Zum Schalten von Ohmschen Lasten, zb. Heizung und Lampen usw.
  • auch für Induktive Lasten wie Motoren geignet
  • Ausgang auch für 12V 24V oder 48V DC Anwendungen geeignet 
  • Eingang - Ausgang galvanisch getrennt

Technische Daten: 

  • 3mm Status LED integriert
  • Ansteuerung Eingang: 3..32V DC
  • Input Current kleiner < 40mA ( Range 2-40mA max ) 
  • Aus ( Off ) = kleiner 1VDC / Ein ( ON ) = 3...32V DC 
  • Off Time: 0,5ms bei DC und 10ms bei AC
  • On Time: 0,5ms bei DC und 10ms bei AC
  • Ausgang ( Primär DC / AC ) 
  • Lastausgang Einsetzbar im Bereich 30-240Volt AC oder 12-65V DC Gleichspannung
  • Siehe auch weitere Bilder ( Anschluß bzw. Schaltplan beachten ) 
  • Somit auch Einsetzbar bei 230V AC typisch oder 115V AC
  • oder auch 12V, 24V oder 48V Gleichspannung 
  • Belastbarkeit bis 40A bei Ohmer Last
  • bei Kapazitive Last bis 60% Belastbarkeit 24A
  • bei Induktiven Lasten bis 40% Belastbarkeit 16A ( Motoren ) 
  • Spitzensperrspannung: 600Volt / VoRm Vceo 1000V
  • 4 Schraubklemmen 
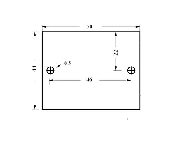
  • Abmessungen: 57,2 x 44 x H: 36mm mit Klarsicht Schutzdeckel
  • Temperatur Einsatzbereich: -30... 80°C

 

0 von 0 Bewertungen

Durchschnittliche Bewertung von 0 von 5 Sternen

Bewerten Sie dieses Produkt!

Teilen Sie Ihre Erfahrungen mit anderen Kunden.


Produktgalerie überspringen

Ähnliche Artikel

Rabatt
Modul 12V 24V Tiefentladeschutz Batteriewächter bis 65A mit Fernschaltung EIN-AUS MOSFET SolidState
Modul 12V 24V Tiefentladeschutz Batteriewächter bis 65A mit Fernschaltung EIN-AUS MOSFET SolidState

Dieser 12V bzw. 24V Batteriewächter bzw. Akkusaver ( BatteryProtector ) schützt Ihren Bleiakku, USV-Akku, Notstromakku, AGM-Akku, Solarakku oder auch Autobatterie vor Tiefentladung durch das rechtzeitige Abschalten von allen DC-Verbrauchern ein Alarmausgang dient als Störmeldekontakt zur freien Verwendung Batteriewächter Tiefentladeschutz für 12V olt 24V Akkusysteme egal ob Bleiakkus oder Lithiumakku Integrierter REMOTE-Eingang ( Ferneinschaltung / Batterieschalter ) = Integrierte Klemme(n) zum ferngesteuerten Ein-/Aus Schalten der Last ( wie ein SolidState Relais jedoch per Mosfet-Halbleiter ). *** Kann als System-Ein-Aus-Schalter verwendet werden ***Wenn der Remotekontakt ausgeschaltet ist, wird der REMOTE-Eingang potenzialfrei. Die Lastausgang wird sofort abgeschaltet. Wenn der Schalter wieder eingeschaltet wird, wird der Eingang REMOTE auf „High“ geschalten und die Lastausgang wird sofort eingeschaltet. *** SIEHE AUCH WEITERE BILDER HIERZU !!! ****Der BatteryProtect trennt die Batterie ( Akku Bleiakku ) vom Verbraucher (Last ), bevor sie vollständig entladen ist (wodurch sie beschädigt würde) bzw. bevor sie nicht mehr über ausreichend Energie zur verfügung hätte. 12V oder 24V Systemspannung : automatische Erkennung des Spannungsbereichs Der BatteryProtect erkennt die Systemspannung automatisch. Einfach Programmierung / Einstellung über LED-Display : Der BatteryProtect lässt sich so einstellen, dass sie sich bei mehreren verschiedenen Spannungen ein- bzw. ausschaltet. Die Siebensegmentanzeige gibt dann an, welche Einstellung / Programmierung gewählt wurde. Eine besondere Einstellung für Lithium-Ionen-Batterien In diesem Modus lässt sich der BatteryProtect durch das VE.Bus BMS steuern. Hinweis: Die BatteryProtect kann auch als Ladungsbrechers zwischen einem Batterieladegerät und einem Li-Ionen-Akku verwendet werden. Siehe Anschlussplan im Handbuch. Extrem niedriger Stromverbrauch : Das ist wichtig im Falle von Lithium-Ionen-Batterien, insbesondere nach dem Abschalten aufgrund eines niedrigen Spannungslevels. Bitte beachten Sie hierzu auch unser Datenblatt über Lithium-Ionen-Batterien und das Handbuch des VE.Bus BMS für weitere Informationen. Überspannungsschutz : Damit empfindliche Verbraucher nicht durch eine Überspannung beschädigt werden, wird die Last immer dann abgeschaltet, wenn die Gleichspannung den Wert von 16V bzw. 32V überschreitet. Explosionsschutz : Keine Relais sondern MOSFET-Schalter und daher keine Funkenbildung.  Störungsmelder ( Ausgang für verzögerten Alarm ) :   Der Alarm-Ausgang ( siehe auch Bild-4 ) wird üblicherweise dazu verwendet, um ein akustisches Signal also ein Signalgeber, Buzzer, Alarmlicht, LED usw. oder besser ein Relais zu aktivieren um eine klassische Störungsmeldung ab zu setzten.  Welches Relaisart Sie dazu verwenden obliegt ihnen ... Monostabil... Bistabil... Zeitrelais mit Rücksetzfunktion da ist alles möglich.  Dieser Alarm-Ausgang wird dann aktiviert, wenn die Batteriespannung mehr als 12 Sekunden lang unter den voreingestelten Wert zum abschalten fällt. Das Einschalten der Last aktiviert daher den Alarm nicht. Der Alarm-Ausgang ist ein kurzschlussgeschützter offener Kollektor-Ausgang  ( Masseschalter ) der mit dem Batterie-Minus verbunden ist.  Der Ausgang kann max 50mA schalten und das reicht auch völlig für externe Relais als Störungsmelder oder Status-LEDs  ( siehe Bild-4 ) Lastabschaltungs- und Wiederanschlussverzögerung : Die Last wird 90 Sekunden nach Aktivierung des Alarms abgeschaltet. Steigt die Batteriespannung innerhalb dieses Zeitraums (nachdem zum Beispiel der Motor gestartet wurde) erneut bis auf den Schwellwert zum Anschließen an, wird die Last nicht abgeschaltet. Die Last wird 30 Sekunden nachdem die Batteriespannung den vorgegebenen Spannungswert zum Wiederanschließen überschritten hat, wieder angeschlossen. Technische Daten : + Betriebsbereich Spannung 12V oder 24V typisch ( Range 6-35V DC ) + Standardschwellwerte wie folgt :   Bei 12V Akku ab-, bzw. ausschalten: 10,5V   Bei 24V Akku ab-, bzw. ausschalten 21V   Bei 12V Akku einschalten bei 12V   Bei 24V Akku einschalten bei 24V + Belastbarkeit 0-65A Strom max 65A / Max. unterbrechungsfreier Laststrom 65A / Spitzenstrom kurzfristig 250A + Stromverbrauch der Schaltung : wenn an = 1,5mA + Wenn aus oder nach Abschalten bei niedriger Spannung : 0,6mA + Wiederanschlussverzögerung = 30 Sekunden Verzögerung Alarmausgang = 12-Sekunden Verzögerung Last abschalten = 90 Sekunden (sofort, wenn durch das VE.Bus BMS ausgelöst) + Maximale Last am Alarmausgang für opt. Standardrelais oder Birnchen = 50mA (kurzschlussfest) + Schutzgrad: Elektronik: IP67 (vergossen) Anschlüsse: IP00 + Anschluss: 2x M6 ( Befestigungsdrehmoment 5Nm ) + Belastbarkeit Arbeitskontakt = Strom max 65A + Abmessungen : (L x B x H): 106 x 48 x 40mm + Gewicht : 0,25KgZusatzinfo dieses Produkt ist wie folgt erhältlich : Art-Nr  92-477-00490 = Modul System-Ein-Aus-Schalter mit Batteriewächter 12/24V bis 65A ( Standard-Version ) Art-Nr  92-477-00495 = Modul System-Ein-Aus-Schalter mit Batteriewächter 12/24V bis 65A ( Bluetooth-Version mit APP ) Zubehör hierzu ist wie folgt erhältlich ( siehe auch im Zubehör-Register ) : Art-Nr 42-772-00675 = 16qmm Kabellitze ROT Art-Nr 45-821-01100 = 16qmm Ringkabelschuh M6 Art-Nr 31-888-03670 = 70A Sicherungsautomat Art-Nr 39-400-00095 = AGU Sicherungshalter bis 80A ....... usw. Art-Nr 31-842-00450 = 50A AGU Fuse Art-Nr 31-842-00460 = 60A AGU Fuse Art-Nr 31-842-00480 = 80A AGU Fuse Für Fragen hierzu stehen wir ihnen gerne zur Verfügung .. ggf. einfach kurz anrufen unter 07362-919093 Weitere Zusatzinfo ... dieses Modul ist auch als 100A und 220A Version erhältlich  ! 

Verkaufspreis: 38,95 € Regulärer Preis: 57,65 € (32.44% gespart)
Rabatt
Modul 12V 24V Tiefentladeschutz Batteriewächter bis 65A mit BT-APP Fernschaltung EIN-AUS MOSFET SolidState
Modul 12V 24V Tiefentladeschutz Batteriewächter bis 65A mit BT-APP Fernschaltung EIN-AUS MOSFET SolidState

Dieser 12V bzw. 24V Batteriewächter bzw. Akkusaver ( BatteryProtector ) schützt Ihren Bleiakku, USV-Akku, Notstromakku, AGM-Akku, Solarakku oder auch Autobatterie vor Tiefentladung durch das rechtzeitige Abschalten von allen DC-Verbrauchern ein Alarmausgang dient als Störmeldekontakt zur freien Verwendung .  ***** Die Smart-Version verfügt über ein integriertes Bluetooth-Modul, dass den Smart BatteryProtect mit einem Smartphone oder Tablet verbindet. So können Sie die Ein-/Abschalt-Schwellwerte einstellen. **** VictronConnect Ap ***** *****Batteriewächter Tiefentladeschutz für 12V olt 24V Akkusysteme egal ob Bleiakkus oder Lithiumakku Integrierter REMOTE-Eingang ( Ferneinschaltung / Batterieschalter ) = Integrierte Klemme(n) zum ferngesteuerten Ein-/Aus Schalten der Last ( wie ein SolidState Relais jedoch per Mosfet-Halbleiter ). *** Kann als System-Ein-Aus-Schalter verwendet werden ***Wenn der Remotekontakt ausgeschaltet ist, wird der REMOTE-Eingang potenzialfrei. Die Lastausgang wird sofort abgeschaltet. Wenn der Schalter wieder eingeschaltet wird, wird der Eingang REMOTE auf „High“ geschalten und die Lastausgang wird sofort eingeschaltet. *** SIEHE AUCH WEITERE BILDER HIERZU !!! ****Der BatteryProtect trennt die Batterie ( Akku Bleiakku ) vom Verbraucher (Last ), bevor sie vollständig entladen ist (wodurch sie beschädigt würde) bzw. bevor sie nicht mehr über ausreichend Energie zur verfügung hätte. 12V oder 24V Systemspannung : automatische Erkennung des Spannungsbereichs Der BatteryProtect erkennt die Systemspannung automatisch. Einfach Programmierung / Einstellung über LED-Display : Der BatteryProtect lässt sich so einstellen, dass sie sich bei mehreren verschiedenen Spannungen ein- bzw. ausschaltet. Die Siebensegmentanzeige gibt dann an, welche Einstellung / Programmierung gewählt wurde. Eine besondere Einstellung für Lithium-Ionen-Batterien In diesem Modus lässt sich der BatteryProtect durch das VE.Bus BMS steuern. Hinweis: Die BatteryProtect kann auch als Ladungsbrechers zwischen einem Batterieladegerät und einem Li-Ionen-Akku verwendet werden. Siehe Anschlussplan im Handbuch. Extrem niedriger Stromverbrauch : Das ist wichtig im Falle von Lithium-Ionen-Batterien, insbesondere nach dem Abschalten aufgrund eines niedrigen Spannungslevels. Bitte beachten Sie hierzu auch unser Datenblatt über Lithium-Ionen-Batterien und das Handbuch des VE.Bus BMS für weitere Informationen. Überspannungsschutz : Damit empfindliche Verbraucher nicht durch eine Überspannung beschädigt werden, wird die Last immer dann abgeschaltet, wenn die Gleichspannung den Wert von 16V bzw. 32V überschreitet. Explosionsschutz : Keine Relais sondern MOSFET-Schalter und daher keine Funkenbildung. Störungsmelder ( Ausgang für verzögerten Alarm ) :   Der Alarm-Ausgang ( siehe auch Bild-4 ) wird üblicherweise dazu verwendet, um ein akustisches Signal also ein Signalgeber, Buzzer, Alarmlicht, LED usw. oder besser ein Relais zu aktivieren um eine klassische Störungsmeldung ab zu setzten.  Welches Relaisart Sie dazu verwenden obliegt ihnen ... Monostabil... Bistabil... Zeitrelais mit Rücksetzfunktion da ist alles möglich.  Dieser Alarm-Ausgang wird dann aktiviert, wenn die Batteriespannung mehr als 12 Sekunden lang unter den voreingestelten Wert zum abschalten fällt. Das Einschalten der Last aktiviert daher den Alarm nicht. Der Alarm-Ausgang ist ein kurzschlussgeschützter offener Kollektor-Ausgang  ( Masseschalter ) der mit dem Batterie-Minus verbunden ist.  Der Ausgang kann max 50mA schalten und das reicht auch völlig für externe Relais als Störungsmelder oder Status-LEDs  ( siehe Bild-4 )Lastabschaltungs- und Wiederanschlussverzögerung : Die Last wird 90 Sekunden nach Aktivierung des Alarms abgeschaltet. Steigt die Batteriespannung innerhalb dieses Zeitraums (nachdem zum Beispiel der Motor gestartet wurde) erneut bis auf den Schwellwert zum Anschließen an, wird die Last nicht abgeschaltet. Die Last wird 30 Sekunden nachdem die Batteriespannung den vorgegebenen Spannungswert zum Wiederanschließen überschritten hat, wieder angeschlossen. Technische Daten : + Betriebsbereich Spannung 12V oder 24V typisch ( Range 6-35V DC ) + Standardschwellwerte wie folgt :   Bei 12V Akku ab-, bzw. ausschalten: 10,5V   Bei 24V Akku ab-, bzw. ausschalten 21V   Bei 12V Akku einschalten bei 12V   Bei 24V Akku einschalten bei 24V + Belastbarkeit 0-65A Strom max 65A / Max. unterbrechungsfreier Laststrom 65A / Spitzenstrom kurzfristig 250A + Stromverbrauch der Schaltung : wenn an = 1,5mA + Wenn aus oder nach Abschalten bei niedriger Spannung : 0,6mA + Wiederanschlussverzögerung = 30 Sekunden Verzögerung Alarmausgang = 12-Sekunden Verzögerung Last abschalten = 90 Sekunden (sofort, wenn durch das VE.Bus BMS ausgelöst) + Maximale Last am Alarmausgang für opt. Standardrelais oder Birnchen = 50mA (kurzschlussfest) + Schutzgrad: Elektronik: IP67 (vergossen) Anschlüsse: IP00 + Anschluss: 2x M6 ( Befestigungsdrehmoment 5Nm ) + Belastbarkeit Arbeitskontakt = Strom max 65A + Abmessungen : (L x B x H): 106 x 48 x 40mm + Gewicht : 0,25KgZusatzinfo dieses Produkt ist wie folgt erhältlich : Art-Nr  92-477-00490 = Modul System-Ein-Aus-Schalter mit Batteriewächter 12/24V bis 65A ( Standard-Version ) Art-Nr  92-477-00495 = Modul System-Ein-Aus-Schalter mit Batteriewächter 12/24V bis 65A ( Bluetooth-Version mit APP ) Zubehör hierzu ist wie folgt erhältlich ( siehe auch im Zubehör-Register ) : Art-Nr 42-772-00675 = 16qmm Kabellitze ROT Art-Nr 45-821-01100 = 16qmm Ringkabelschuh M6 Art-Nr 31-888-03670 = 70A Sicherungsautomat Art-Nr 39-400-00095 = AGU Sicherungshalter bis 80A ....... usw. Art-Nr 31-842-00450 = 50A AGU Fuse Art-Nr 31-842-00460 = 60A AGU Fuse Art-Nr 31-842-00480 = 80A AGU Fuse  Für Fragen hierzu stehen wir ihnen gerne zur Verfügung .. ggf. einfach kurz anrufen unter 07362-919093 Weitere Zusatzinfo ... dieses Modul ist auch als 100A und 220A Version erhältlich  ! 

Verkaufspreis: 54,95 € Regulärer Preis: 69,95 € (21.44% gespart)
Modul Relaisplatine 2-fach mit 230VAC 2A SolideState Relais SSR Halbleiterrelais und 5V OC-Eingang
Modul Relaisplatine 2-fach mit 230VAC 2A SolideState Relais SSR Halbleiterrelais und 5V OC-Eingang

2-Kanal Relaisplatine mit SolideState Relais ( 220-250VAC 2A Halbleiterrelais ) + Belastbarkeit der Halbleiterrelais jeweils max 2A 220-250V Phase schaltend + Eingang und Ausgang mit Schraubklemmen Printklemmen + Beschreibung: 2-fach 230V Schalter ON-OFF SSR HONGFA HFS4-22A-05DM max 250VAC + Ansteuerung 5Volt DC über Masseschalter + integrierte 2-fach LED Statusanzeige ( SMD LED Platine ) + Universell verwendbar + Eingebauter RC-Schutzschaltkreis + Kompatibilität mit TTL-Schaltungstreibern + Nulldurchgangserkennung Nennlast SSR: 2A / 250V AC + Durchschlagsfestigkeit: 3000 V AC + Eingang Steuersignal Spannung: 0-2,5V State Low Relais Aus und 3,3-5V State Relais An + Modulschnittstelle: Eingang: DC +: positive Stromversorgung (Relais Spannung) + DC - : Power negativ Ch: Signal zum Triggern (hohe Triggereffektivität) + Spannung 5V / Ruhestrom 0mA / Arbeitsstrom 12,5mA / Trigger Spannung 3,3-5V / + Trigger Strom 2mA / Lane 0mA 22.5mA 3,3-5 V 2mA + Schaltplan siehe weitere Bilder + Abmessungen : 53 x 32 x 23mm

Regulärer Preis: 6,99 €
Nur 3 auf Lager!
BTA40-600B Triac 40A 600V Ig 50mA RD91 SOT-80
BTA40-600B Triac 40A 600V Ig 50mA RD91 SOT-80

BTA40-600 TRIAC bis 40A 600V   Hochstrom Triac  Belatbarkeit max 40A Vdrm 600V / Vrrm = 800V Ig Gatestrom max 50mA z.B.VD = 12V = RL 33ohm Igt1 = 50ma max 100mA  Typischer Einsatz Steuerungsplatine, Heizungsteuerungen, Motorsteuerungen, Lichsteuergeräte, Magnetschalter Ersetzt in den meisten Fällen auch BTA25 Serie 

Regulärer Preis: 13,88 €