Zum Hauptinhalt springen Zur Suche springen Zur Hauptnavigation springen
schneller Versand
Telefonische Beratung
Rufen Sie gerne an
Rechnungszahlung für Firmen/Behörden
Telefon: +49 (0)7362 - 919093

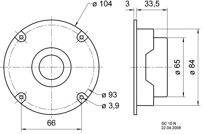
104mm Hochtöner 150W 8-Ohm SC10N magnetisch geschirmte Kalotte

Produktinformationen "104mm Hochtöner 150W 8-Ohm SC10N magnetisch geschirmte Kalotte"

Sehr weich und gut klingende Hochtonkalotte SC10N für den Hochtonbereich ab 3000Hz

Gewebekalotte für den Hochtonbereich ab 3000 Hz. Linearer Frequenzgang durch spezielle Kalottenbeschichtung und hohe Belastbarkeit durch mit Ferrofluid gekühlte Schwingspule

Besonders geeignet für den Einsatz in mittelgroßen 2-Wege und oder 3-Wege Kombinationen von Boxen aller Art.

Ideal auch für die Ersatzbestückung von Lautsprecherboxen. Ersetzt unter vielen anderen Hochtönern auch DTR100/27 u.v.w.m. 

Technische Daten:

  • Belastbarkeit: 100W RMS bzw. 150Watt über 12dB Weiche
  • Impedanz: 8-Ohm
  • Frequenzbereich: 1.000...20.000Hz
  • Resonanzfrequenz: 1700Hz 
  • Empf. Einsatz Hochtonbereich ab 3000Hz. 
  • Abstrahlverhalten: 109° bei 8000Hz 
  • Kennschalldruck: 1w-1m = 90dB
  • Außendurchmesser: 104mm
  • Einbaudurchmesser: 84mm
  • Einbautiefe: 33,5mm
  • Runde Frontplatte mit Durchmesser von 104mm ( siehe auch Zeichnung weitere Bilder ) 
  • Magnetisch abgeschirmt 
  • Ferrofluid gekühlte Schwingspule
  • Gewicht 0,55kg

weitere technische Daten :  

Nennimpedanz Z 8 Ohm
Übertragungsbereich (-10 dB) 1000–20000 Hz
Mittlerer Schalldruckpegel 90 dB (1 W/1 m)
Abstrahlwinkel (−6 dB) 109°/8000 Hz
Resonanzfrequenz fs 1700 Hz
Magnetische Induktion 1,3 T
Magnetischer Fluss 210 µWb
Obere Polplattenhöhe 2,5 mm
Schwingspulendurchmesser 25 mm
Wickelhöhe 2 mm
Schallwandöffnung 85 mm
Gewicht netto 0,55 kg
Gleichstromwiderstand Rdc 6,9 Ohm
Effektive Membranfläche Sd 5 cm²
Dynamische bewegte Masse Mms 0,1 g
Schwingspuleninduktivität L 0,04 mH
Anschlüsse 4,8 x 0,8 mm (+)/2,8 x 0,8 mm (-)
Musikbelastbarkeit mit Hochpassfilter 150 W (12 dB/Okt.; 4000 Hz)
Nennbelastbarkeit mit Hochpassfilter 100 W (12 dB/Okt.; 4000 Hz)

0 von 0 Bewertungen

Durchschnittliche Bewertung von 0 von 5 Sternen

Bewerten Sie dieses Produkt!

Teilen Sie Ihre Erfahrungen mit anderen Kunden.


Produktgalerie überspringen

Ähnliche Artikel

Nur 2 auf Lager!
Rabatt
104mm Hochtöner 140W 8-Ohm KE25SC hochwertiger Keramik-Hochtöner
104mm Hochtöner 140W 8-Ohm KE25SC hochwertiger Keramik-Hochtöner

Magnetisch geschirmte High-End-Kalotte mit Keramik als Kalottenmaterial. Keramik ist ein Stoff von ungeheurer Härte und belohnt bei richtiger Verarbeitung durch eine kristallklare und auch bei hohen Pegeln lupenreine, pegelfeste Wiedergabe ohne Verzerrungen. Ideal auch für die Ersatzbestückung, Reparatur oder auch klangliche Aufwertung von Lautsprecherboxen aller Art Die Polkernbohrung mit strömungsgünstigen Rundungen und der bedämpfte Hohlraum ermöglichen eine sehr tiefe Resonanzfrequenz. Außerdem ist der Schwingspulenträger und die Kammer, in der die Schwingspule sitzt, durch Bohrungen belüftet. Dadurch kann die Kalotte auch bei tieferen Frequenzen ungehindert und ohne Kompressionserscheinungen schwingen. Absolut neuartig ist die integrierte Impedanzlinearisierung mit einem R-C-L-Glied. Die Kalotte ist damit ohne Probleme in ein Frequenzweichennetzwerk integrierbar. Da Keramik sehr berührungsempfindlich ist, wurde ein Schutzgitter vorgesehen. Das Gitter trägt innen einen akustischen Tiefpass in Form eines transparenten Ringes, der aber erst bei 25kHz wirkt und dort eine Materialresonanz bedämpft. Das Schutzgitter bewirkt außerdem eine Verbesserung des Rundstrahlverhaltens bei hohen Frequenzen. Technische Daten: Musikbelastbarkeit 140Watt Nennbelastbarkeit 80 Watt Nennimpedanz 8-Ohm Schwingspule 1zoll 25mm  Über Hochpassfilter 12 dB/Okt. 2000Hz Übertragungsbereich: 800...25.000Hz Mittlerer Schalldruckpegel 89 dB (1W/1m) Abstrahlwinkel (−6 dB) = 124° bei 8000Hz  Resonanzfrequenz fs (kompensiert) Magnetische Induktion 1,5Tesla Abmessungen siehe auch Zeichnung weitere Bilder  Außendurchmesser: 104,5mm Einbaudurchmesser: 80mm Einbautiefe: 55mm Frontplatte Höhe 5mm ohne Domekuppel. Frontplatte kann auch abgeschraubt werden.   Anschlüsse stecken oder löten = 4,8 x 0,8 mm (+) / 2,8 x 0,8 mm (-) Gewicht: 0,9kg Ersatzschwingspule Diaphragma erhältlich = Bst Nr 83-763-00144 ( siehe im Zubehör-Register )   Bestückung z.B. auch in:  ARIA 2 KE / ARIA KE / ATLANTIS ATLAS COMPACT MK IV / CONCORDE MK II VOX 252 [Auszug aus Image HiFi (VOX 251): Testurteil: ausgezeichnet Auszug aus STEREO: Klang-Niveau: 75 % Preis/Leistung: sehr gut] VOX 252-CENTER / VOX 253 / VOX 253-CENTER / VOX 300 u.A.  Weitere technische Daten :  Nennimpedanz Z 8-Ohm Übertragungsbereich (-10 dB) 800–25000 Hz Mittlerer Schalldruckpegel 89 dB (1 W/1 m) Abstrahlwinkel (−6 dB) 124°/8000 Hz Resonanzfrequenz fs kompensiert / compensated Magnetische Induktion 1,5 T Magnetischer Fluss 470 µWb Schwingspulendurchmesser 25 mm Schallwandöffnung 82 mm Gewicht netto 0,98kg Gleichstromwiderstand Rdc 5,9 Ohm Anschlüsse 4,8 x 0,8 mm (+)/2,8 x 0,8 mm (-) Musikbelastbarkeit mit Hochpassfilter 140 Watt(12 dB/Okt.; 2000 Hz) Nennbelastbarkeit mit Hochpassfilter 80 Watt(12 dB/Okt.; 2000 Hz)

Verkaufspreis: 169,00 € Regulärer Preis: 239,30 € (29.38% gespart)
Rabatt
Tipp
104mm Hochtöner Kalotte 140-180W 8-Ohm G25FFL
104mm Hochtöner Kalotte 140-180W 8-Ohm G25FFL

G25FFL ist eine hochwertige 180W Hochtonkalotte.  Durch die optimierte Kalottenform mit doppelter Beschichtung in Verbindung mit einer Sicke, die eine besonders hohe Dämpfung aufweist, wird ein linearer Frequenzgang erreicht. Der kräftige Magnetantrieb und die mit Ferrofluid gekühlte Schwingspule sind sowohl hohen Wirkungsgrad als auch hohe Belastbarkeit. Ein absoluter Klassiker im Boxenbau ! Auch ideal für die Ersatzbestückung von defekten Lautsprecherboxen ... ersetzt unter anderem Morel DMS20 .. u.v.w.m.  25 mm (1zoll) Gewebekalotte für den Hochtonbereich in passiv- wie in Aktivboxen aller Art. Durch die optimierte Kalottenform mit doppelter Beschichtung in Verbindung mit einer Sicke, die eine besonders hohe Dämpfung aufweist, wird ein linearer Frequenzgang erreicht. Der kräftige Magnetantrieb und die mit Ferrofluid gekühlte Schwingspule garantieren sowohl hohen Wirkungsgrad als auch hohe Belastbarkeit. Technische Daten: Hochwertige HiFi-Hochton-Kalotte ( HighEnd )  Musikbelastbarkeit: 180Watt ab 4Khz über 12dB Weiche  Musikbelastbarkeit: 140Watt ab 2Khz über 12dB Weiche  Nennbelastbarkeit: 120Watt ab 4Khz über 12dB Weiche  Nennbelastbarkeit:   80Watt ab 2Khz über 12dB Weiche  Impedanz: 8-Ohm Übertragungsbereich: 1.000...30.000Hz Resonanzfrequenz fs 1500Hz Empf. Trennfrequenz : für den Hochtonbereich ab 2000 Hz Empfindlichkeit: 90dB (1W/1m)  Magnetische Induktion 1,7 Tesla  Abstrahlwinkel 167° (8000Hz) Abmessungen siehe auch Zeichnung weitere Bilder !  Außendurchmesser: 104,5mm  Befestigungs-Lochkreis: 94mm Einbaudurchmesser: 78mm  Magnetdurchmesser: 75mm Einbautiefe: 24mm Gewicht: 0,56kg Weitere technische Daten :   Nennimpedanz Z 8 Ohm Übertragungsbereich (-10 dB) 1000–30.000 Hz Mittlerer Schalldruckpegel 90 dB (1 W/1 m) Abstrahlwinkel (−6 dB) 167°/8000 Hz Resonanzfrequenz fs 1600 Hz Magnetische Induktion 1,7 T Magnetischer Fluss 425 µWb Obere Polplattenhöhe 2,5 mm Schwingspulendurchmesser 25mm = 1zoll  Wickelhöhe 2 mm Schallwandöffnung 75-80mm Gewicht netto 0,56 kg Gleichstromwiderstand Rdc 5,6 Ohm Mechanischer Q-Faktor Qms 0,66 Elektrischer Q-Faktor Qes 1,11 Gesamt-Q-Faktor Qts 0,41 Effektive Membranfläche Sd 4,9 cm² Dynamische bewegte Masse Mms 0,3 g Schwingspuleninduktivität L 0,05 mH Anschlüsse löten oder stecken 4,8 x 0,8 mm (+)/2,8 x 0,8 mm (-) Musikbelastbarkeit mit Hochpassfilter        140W (12 dB/Okt.; 2000 Hz = 2Khz ) 180 W (12 dB/Okt.; 4000 Hz = 4Khz ) Nennbelastbarkeit mit Hochpassfilter 80 W (12 dB/Okt.; 2000 Hz = 2Khz ) 120 W (12 dB/Okt.; 4000 Hz = 4Khz ) Optional hierzu erhältlich :   Weichenbauteile je nach Trennfrequenz  Frequenzweichen: 2-wege ... 3-wege... 4-wege je nach Einsatzart  Ersatzschwingspule = Bst-Nr 83-763-00146 WG148R = Hornvorsatz = Waveguide (Wellenleiter) aus hochwertigem Kunststoff für 1zoll = 25mm-Hochtonkalotten. Die exponentielle Aufweitung sorgt für einen hohen Pegelgewinn im unteren Hochtonbereich, wodurch der Hochtöner entlastet werden kann. Bestückung z.B. bei LS-Bausätzen wie ExpEriEncE V20, nimrod, Studio 1, Studio 2, Vib 170 AL, Vib 2000 GF.  

Verkaufspreis: 89,90 € Regulärer Preis: 110,42 € (18.58% gespart)
66mm Hochtöner  80W 8-Ohm DT25N  Kalottenhochtöner Neodym
66mm Hochtöner 80W 8-Ohm DT25N Kalottenhochtöner Neodym

NEODYMIUM Hochtöner mit herausragenden klanglichen Eigenschaften zu einem sensationell günstigen Preis, daher ideal für den Neuaufbau oder die Ersatzbestückung von defekten Boxen. Die Seiden-Softdome-Membran mit optimierter Geometrie wird von einer Frontplatte mit speziell angepasstem Verlauf umfasst, die eine besonders lineare Wiedergabe auch bei tieferen Frequenzen und gleichzeitig einen hohen Wirkungsgrad ermöglicht. Sehr feinzeichnendes und natürliches Klangbild. Nicht nur überzeugend ausgewogen und linear, überdies auch überraschend breitbandig. Technische Daten: Maximale Belastbarkeit 80 Watt max. Nennbelastbarkeit 40Wrms  Impedanz: 8-Ohm Resonanzfrequenz: 1600Hz Frequenzbereich fx..20kHz  Empf. Trennfrequenz (12dB) 2,5kHz Mittlerer Schalldruck (1W/1m) 95dB  Schwingspulendurchmesser: 25mm Außendurchmesser: 66mm Frontplatte: 3,3mm  Magnetdurchmesser: 46mm Einbauöffnung 48mm Einbautiefe: 21mm Gewicht 0,07kg

Regulärer Preis: 30,90 €
97mm Horn Hochtöner 60W 8-Ohm Ringradiator HT-958PA/SW
97mm Horn Hochtöner 60W 8-Ohm Ringradiator HT-958PA/SW

97mm Horn Hochtöner 60W 8Ohm Ringradiator HT-958PA/SW In schwarzer Ausführung für PA und HiFi, mit gutem Wirkungsgrad und hervorragendem Übertragungsverhalten in Breitbandigkeit und Linearität. Ideal auch für die Ersatzbestückung von PA Lautsprecherboxen. Technische Daten: Leistung: 60 Watt max. 30W RMS Impedanz: 8-Ohm Frequenzbereich: 2200...20.000Hz Kennschalldruck: 101dB (1w-1m) Außendurchmesser: 97mm Einbauöffnung: 72mm Einbautiefe: 45mm  Magnetdurchmesser: 72mm Frontringhöhe: 5mm Gewicht: 0,55kg

Regulärer Preis: 57,40 €
Tipp
100mm Horn Hochtöner 200W 100W RMS 4-Ohm TITAN Ringradiator mit 44mm Schwingspule
100mm Horn Hochtöner 200W 100W RMS 4-Ohm TITAN Ringradiator mit 44mm Schwingspule

Ringradiator Hornhochtöner 200W über Weiche bzw. 100W rms 4-Ohm TITAN Ringradiator mit 44mm SchwingspuleIn schwarzer Ausführung für PA und HiFi, mit gutem Wirkungsgrad und hervorragendem Übertragungsverhalten in Breitbandigkeit und Linearität.Ideal auch für die Ersatzbestückung von PA Lautsprecherboxen ** Ersetzt unter anderem auch BEYMA Typen mit ähnlichem Aussehen sowie Monacor MHD-182/RDTechnische Daten:Belastbarkeit : 200/250Watt über optionale 12/18dB Frequenzweichebzw. 100W RMS über beiliegenden MKT 335K 250V1,75zoll Titan-Schwingspule = 44mm Schwingspule ( 1,75zoll )Impedanz: 4-OhmFrequenzbereich: 3800...30.000HzKennschalldruck: 105dB (1w-1m)Extrem massive und schwere Metallausführung !Außendurchmesser: 100x100mmEinbauöffnung: 91mmEinbautiefe: 66mm Magnetdurchmesser: 89,5mmLochabstand diagonal: 105mm / Loch zu Loch: 75mmFrontringhöhe: 8,8mmGewicht: 1,45kg

Regulärer Preis: 29,95 €
Nur 4 auf Lager!
Rabatt
94mm Hochtöner High-End Kalotte 140W 8-Ohm G20SC
94mm Hochtöner High-End Kalotte 140W 8-Ohm G20SC

G20SC 140W Hochtöner mit 94mm Durchmesser. Magnetisch abgeschirmte High-End-Gewebekalotte für den Hochtonbereich. Ideal für den Neuaufbau oder die Reparatur von wertigen Boxen. Der kräftige Magnetantrieb und die mit Ferrofluid gekühlte Schwingspule garantieren sowohl hohen Wirkungsgrad als auch hohe Belastbarkeit. Ein Klassiker im Boxenbau Technische Daten: Nennbelastbarkeit mit Hochpassfilter 80 Watt (12 dB/Okt.; 3000 Hz) Musikbelastbarkeit mit Hochpassfilter 140 Watt (12 dB/Okt.; 3000 Hz) Impedanz 8-Ohm Übertragungsbereich 1200...30.000 Hz Mittlerer Schalldruckpegel 88 dB (1 W/1 m) Resonanzfrequenz 1800 Hz Schwingspulendurchmesser 2cm Gewicht netto 0,388kg Aussendurchmesser: 94mm Einbaudurchmesser 66mm Magnetdurchmesser: 64mm Einbautiefe: 27mm Ein edler Klassiker, auch ideal für die Repartur von hochwertigen Lautsprecherboxen älterer Generation von CANTON usw. Zusatzinformation: Ersatzschwingspule (Diaphragma) erhältlich = Bst Nr 83-763-00142

Verkaufspreis: 62,90 € Regulärer Preis: 83,73 € (24.88% gespart)
Rabatt
72mm Hochtöner Kalotte 100W 8-Ohm DTW72
72mm Hochtöner Kalotte 100W 8-Ohm DTW72

DTW72 110W 8-Ohm Hochtöner Kalottenhochtöner Solider Hochtöner für Neuaufbau oder Reparatur von Lautsprecherboxen. Polycarbonatkalotte für den Hochtonbereich ab 4000 Hz. Ausgeglichener Frequenzgang und exzellentes Rundstrahlverhalten. Durch den kräftigen Magnetantrieb und das ultraleichte Diaphragma mit ferrofluidgekühlter Schwingspule lässt sich eine hohe Belastbarkeit mit gutem Wirkungsgrad realisieren. Bestückung z.B. in ALTO GENESIS SAT [Auszug aus Audio: Preis-/Leistungsverhältnis: sehr gut, Auszug aus HiFi-Test: Ergebnis: sehr gut]. Technische Daten: Leistungsdaten: 70W RMS / max. 110W Impedanz 8-Ohm Frequenzbereich: 3.000 - 23.000Hz Kennschalldruck: 1w-1m = 91dB Abmessungen siehe auch Zeichnung weitere Bilder  Außendurchmesser: 72mm Einbauöffnung: 50mm Einbautiefe: 17,5m Befestigungslochabstand ( 43mm ) Mitte-Mitte Runde Frontplatte

Verkaufspreis: 18,50 € Regulärer Preis: 23,61 € (21.64% gespart)
Nur 5 auf Lager!
DT-300 Hochtöner
116mm Hochtöner Kalotte 100W 8-Ohm DT300

DT300 Kalottenhochtöner mit großer Membranfläche für außergewöhnliche hohe Dynamikleistung auch bei niedrigen Trennfrequenzen. Ideale Lösung bei gleichzeitig ausgezeichnetem Brillanzverhalten. HiFi-Kalottenhochtöner. Außergewöhnlicher Hochtöner mit 30mm-Seidenmembran und großem angekoppelten Volumen. Durch die niedrige Resonanzfrequenz und große Fläche hervorragendes Dynamikverhalten und große Stabilität auch bei tiefen Trennungen. Hochflüssiges Ferrofluid für ein feines Brillianzverhalten. Besonders geeignet für Hochleistungsanwendungen und D´Appolito-Anordnungen im Top-HiFi-Bereich. Technische Daten: Impedanz 8-Ohm Resonanzfrequenz: 750Hz Max. Frequenzbereich 650....19kHz Empf. Trennfrequenz (12dB) 2kHz  Maximale Belastbarkeit 100 Watt max. Nennbelastbarkeit 50Wrms   Mittlerer Schalldruck (1W/1m) 93dB Schwingspulendurchmesser 30mm Magnetdurchmesser 80mm Einbauöffnung 89mm Einbautiefe: 53mm  Außendurchmesser: 116mm Frontplatte: 5mm Gewicht 0,70kg

Regulärer Preis: 32,95 €
Nur 2 auf Lager!
Rabatt
96x96mm Hochtöner 180W 8-Ohm Titan Kalotte DSM25FFL
96x96mm Hochtöner 180W 8-Ohm Titan Kalotte DSM25FFL

DSM25FFL 140Watt Hochtöner mit Abmessungen 96x96mm Titankalotte für den Hochtonbereich ab 2000 Hz Durch eine speziell entwickelte Verfahrenstechnik lässt sich die enorm harte Titanfolie zu ultraleichten Kalotten prägen, die zusammen mit der stark bedämpften Supronyl-Sicke einen linearen und partialschwingungsfreien Frequenzgang ermöglichen. Durch die enorme magnetische Induktion im mit Ferrofluid gefüllten Luftspalt lassen sich gleichzeitig ein hoher Wirkungsgrad und eine hohe Belastbarkeit realisieren. Ein echter Klassiker im Boxenbau. Ideal auch für die Ersatzbestückung von Lautsprecherboxen aller Art Technische Daten:  Musikbelastbarkeit: 180 Watt Nennbelastbarkeit: 80 Watt über Frequenzweiche 12dB/OKT ab mind. 4000Hz Impedanz: 8-Ohm  Frequenzbereich.: 1.000-30.000Hz  Empfindlichkeit: 90dB (1w-1m) Abstrahlwinkel: 138° (8000Hz) Abmessungen: 96x96mm  Einbauöffnung: 80mm  Einbautiefe: 24mm Magnetdurchmesser: 70mm Gewicht: 0,53kg

Verkaufspreis: 79,90 € Regulärer Preis: 105,89 € (24.54% gespart)
Rabatt
100mm Kalotten Hochtöner
103mm Titan Hochtöner 80W 8-Ohm Rund

100mm Titan Hochtöner mit 80W Leistung und 8-Ohm Impedanz HiFi Titanium Dome Hochtöner mit ausgewogenem gutem Klangbild und sehr guten Eigenschaften !  Ideal für den Neuaufbau oder auch die Reparatur von Boxen bestens geeignet. In Verbindung mit 2-Wege und 3-Wege Weichen bis 200W belastbar. Technische Daten: Leistung: 80 Watt max. über 12dB Weiche Impedanz: 8-Ohm Frequenzgang: 1500 - 20.000Hz Empfindlichkeit bei 1W-1m = 90dB Außendurchmesser: 103mm Lochkreisausschnitt: 72mm Bauhöhe: 31mm Einbautiefe: 27mm 5-Loch Befestigung (4,5mm) z.B. für Linsenkopfschrauben 2x 2,8mm Steck-, bzw. Lötanschlüsse Gewicht: 400g

Verkaufspreis: 14,70 € Regulärer Preis: 26,00 € (43.46% gespart)
Rabatt
94mm 8-Ohm Hochtöner 100W DT94-8 HiFi Kalottenhochtöner
94mm 8-Ohm Hochtöner 100W DT94-8 HiFi Kalottenhochtöner

DT94 HiFi Hochtöner bzw. Hochtonkalotte mit runder 94mm Frontplatte für den Hochtonbereich in 2-Wege und 3-Wege Boxen. Ausgeglichener Frequenzgang mit Hochtonbrillanz und gutem Rundstrahlverhalten. Hohe Belastbarkeit durch ferrofluidgekühlte Schwingspule. Ersetzt unter anderem auch Seas K21ST FD und etliche andere nicht mehr erhältliche Hochtöner. Somit auch ideal für die Reparatur von Boxen. Schwingspule 0,8zoll 20mm Antrieb mit resonanzarmer Kalotte. Dadurch sehr gute Dynamik. Aufhängung der Kalotte in stark dämpfender Weich-PVC Sicke. Front aus glasfaserverstärktem Kunststoff. Hochbelastbar durch Magnetflüssigkeit im Luftspalt. Sehr linearer Schalldruckverlauf und ausgezeichnetes Abstrahlverhalten. Anwendungsbereich: Einsatz in Mehrwegesystemen bereits ab 3000 Hz über Filter 12 dB/Okt. Technische Daten: Belastbarkeit: 70W RMS 100Watt Musik Impuls Leistung  Empfohlene Trennfrequenz über Frequenzweiche 12dB/OKT ab mind. 3000Hz .. 4000Hz  Impedanz: 8-Ohm Frequenzbereich 1.200 - 22.000 Hz Resonanzfrequenz: 1.900Hz  Empfindlichkeit: 90dB (1W-1m) Abmessungen ( siehe auch weitere Bilder Zeichnung )  Runde Frontplatte 94mm Außendurchmesser: 94mm Einbauöffnung: 64mm Einbautiefe: 19mm Anschlüsse: 4,8mm + 2,8mm Steckfahne   Gewicht: 240g Weitere Technische Daten und Vergleich das DT94 auch Westra, SEAS K21FD ersetzten kann    Vergleich DT94 8-ohm SEAS  K21FD 8ohm Außendurchmesser 94mm 94mm Einbaudurchmesser 64mm 66mm Einbautiefe 19mm 18mm Mittlerer Schalldruckpegel 90 dB (1 W/1 m) 87 dB ( 1W/1m) Abstrahlwinkel (-6 dB) 84°/8000 Hz 82°/8000 Hz Resonanzfrequenz fs 1900 Hz 1700 Hz Magnetische Induktion 1,2 T 1,4 T Magnetischer Fluss 185 µWb  k.a. Obere Polplattenhöhe 2,5 mm  k.a Schwingspulendurchmesser 20 mm 0,8"   19,5mm 0,8" Wickelhöhe 2 mm  1,5 mm Schallwandöffnung 64 mm  66mm  Gewicht netto 0,24 kg 0,30 Kg Gleichstromwiderstand Rdc 6,7 Ohm  ( Z 8-ohm ) 6,2 ohm  (Z 8-ohm) Mechanischer Q-Faktor Qms 3,07  2,60 Elektrischer Q-Faktor Qes 0,66  k.a Gesamt-Q-Faktor Qts 0,54  k.a Effektive Membranfläche Sd 3 cm²  4 cm² Dynamische bewegte Masse Mms 0,2 g  0,23 g Schwingspuleninduktivität L 0,12 mH  k.a Leistung max   100W üb.18dB Weiche 220W  100W üb.18dB Weiche 220W  Leistung RMS 70W   üb 18dB Weiche 90W  70W üb. 18dB Weiche 90W  

Verkaufspreis: 32,90 € Regulärer Preis: 41,19 € (20.13% gespart)
Rabatt
50mm Hochtöner 100W 8-Ohm HiFi magnetisch geschirmt
50mm Hochtöner 100W 8-Ohm HiFi magnetisch geschirmt

51mm Hochtöner 100W 8-Ohm HiFi magnetisch geschirmt  Magnetisch abgeschirmte HiFi Hochtöner für den Hochtonbereich ab 4000 Hz. Ausgeglichener Frequenzgang exzellentes Rundstrahlverhalten und hoher Wirkungsgrad Ideal als Ersatz Hochtöner in Boxen aller Art  Ideal geeignet in kleinen, 2-wege oder 3-wege Kombinationen  Ideal auch für den Selbstbau von Surround-Centerlautsprecher und Multi-Media-Boxen etc.  Technische Daten: Leistungsdaten: 60W RMS 100W max. Impedanz: 8-Ohm Frequenzbereich: 4.000 - 22.000Hz Kennschalldruck: 1w-1m = 90dB Abmessungen siehe auch weitere Bilder = Zeichnung  Außendurchmesser: 51,5 x 51,5mm Einbauöffnung: 43mm Einbautiefe: 22,5mm Quadratische Frontplatte Ideal auch für die Ersatzbestückung von Lautsprecherboxen

Verkaufspreis: 14,90 € Regulärer Preis: 19,00 € (21.58% gespart)
Rabatt
115x90mm Titan Hochtöner rechteckig 100W 8-Ohm Universal Hochtonkalotte
115x90mm Titan Hochtöner rechteckig 100W 8-Ohm Universal Hochtonkalotte

HiFi Titan Hochtöner bzw. Titanium Dome Tweeter mit ausgewogenem gutem Klangbild und sehr guten Eigenschaften.Ideal für den Neuaufbau oder auch die Reparatur von Boxen bestens geeignet.Technische Daten: Leistung 100Watt max über 12dB Weiche bzw. 150W über 18dB WeicheImpedanz 8-Ohm Frequenzgang 2000...21.000Hz Empfindlichkeit bei 1W-1m = 91,5dBAbmessungen siehe auch Zeichnung weitere Bilder Abmessungen Kunststoff Frontblende: 115x89mmEinbautiefe 26mm / mit Frontblende : 29mm Magnetdurchmesser: 70mmAusschnitt in Box 90x70mm 4-Loch Befestigung DM 5,0mm für LinsenkopfschraubenBefestigungs-Lochabstand : 87x71mm Steck-, bzw. Lötanschlüsse 2x 2,8mm Gewicht: 490g

Verkaufspreis: 14,95 € Regulärer Preis: 19,99 € (25.21% gespart)
Nur 4 auf Lager!
116x80mm Hochtöner rechteckig Kalotte 60W 8-Ohm DT100
116x80mm Hochtöner rechteckig Kalotte 60W 8-Ohm DT100

Belastbarer Soft-Dome im klassischen Rechteckformat, Ferrofluid, gute Linearität mit besonders brillanter Charakteristik, detailreiche Wiedergabe, für alle HiFi-Zwecke. Ideal für die Reparatur von Lautsprecherboxen aller Art für Boxenleistungen von 100-150 Watt. Ersetzt viele Typen von älteren Hochtönern wie z.B. Visaton DTW8.12NG usw. Technische Daten:Impedanz 8-OhmResonanzfrequenz: 1,5kHz Max. Frequenzbereich 1....20kHzEmpf. Trennfrequenz (12dB) 2,5kHzMaximale Belastbarkeit 60Watt max.Nennbelastbarkeit 30Wrms  Mittlerer Schalldruck (1W/1m) 92dBSchwingspulendurchmesser 25mm Magnetdurchmesser 70mmEinbauöffnung 72mmEinbautiefe: 26mm  Außendurchmesser: 116x80mmFrontplatte: 2mmGewicht 0,58kg Ersetzt viele Typen von älteren Hochtönern wie z.B. Visaton DTW8.12NG usw.

Regulärer Preis: 36,20 €
Tipp
104mm Hochtöner Kalotte 100W 8-Ohm Textilkalotte mit Kapton Schwingspulenträger
104mm Hochtöner Kalotte 100W 8-Ohm Textilkalotte mit Kapton Schwingspulenträger

Hochtöner Kalotte 100W 8-Ohm DM 104mm Textilkalotte mit KaptonschwingspulenträgerHoch belastbarer Textilkalotte im klassischen Rundformat mit 104mm Außendurchmesser, gute Linearität mit besonders brillanter Charakteristik, detailreiche Wiedergabe, für alle HiFi-Zwecke 2-Wege, 3-Wege und auch 4-Wege Boxensysteme Ideal für die Reparatur von Lautsprecherboxen aller Art für Boxenleistungen von 100-200 Watt.Technische Daten:Frequenzbereich fx-19.000 Hz Resonanzfrequenz (fs) 1200 Hz Empf. Trennfrequenz (fmax.) (12 dB/Okt.) 2500 Hz Nennbelastbarkeit (RMS) 45W Musikbelastbarkeit (MAX) 100W Einsetzbar über 12dB Weiche in Boxen bis 200Watt Gesamtbelastbarkeit Kennschalldruck 92 dB/W/m Schwingspulendurchmesser Ø 25 mm Abmessungen DMØ 104 x 32 mm  ( siehe auch Zeichnung weitere Bilder ) Magnetdurchmesser Ø 70 mm Einbauöffnung Ø 80 mm Einbautiefe 29 mm Außendurchmesser Ø 104 mm Breite Ø 104 mm Höhe Ø 104 mm Tiefe 32 mm Farbe Schwarz Zul. Gewicht 0,54 kg 

Regulärer Preis: 28,70 €
Nur 1 auf Lager!
Tipp
94mm Hochtöner Kalotte DTW97 100W 60W rms 8-Ohm
94mm Hochtöner Kalotte DTW97 100W 60W rms 8-Ohm

Hochtöner Kalotte 100W 8-OhmNennbelastbarkeit mit Hochpassfilter 60 Watt (12 dB/Okt.; 2500 Hz)Musikbelastbarkeit mit Hochpassfilter 100 Watt (18 dB/Okt.; 2500 Hz)Nennimpedanz 8 Ohm / Übertragungsbereich 2000 - 25.000 HzMittlerer Schalldruckpegel 91dB (1W/1m) /Resonanzfrequenz fs 1900 HzAbmessungen siehe auch weitere Bilder ZeichnungAußendurchmesser: 94mmBefestigungslochkreis : 81mmEinbauöffnung: 61 mmEinbautiefe: 19-20mmRestbestand solange Vorrat reicht !Nennimpedanz Z8-OhmÜbertragungsbereich (-10 dB)2000 - 25000 Hz (-8 dB)Mittlerer Schalldruckpegel91 dB (1 W/1 m)Resonanzfrequenz fs1800 HzMagnetische Induktion1,3 TeslaMagnetischer Fluss200 µ WeberSchwingspulendurchmesser2 cmSchallwandöffnung6,4 cmGewicht netto0,235 kgGleichstromwiderstand Rdc6,5 OhmMechanischer Q-Faktor Qms3,1Elektrischer Q-Faktor Qes0,63Gesamt-Q-Faktor Qts0,53Effektive Membranfläche Sd3 cm2Dynamische bewegte Masse Mms0,2 gSchwingspuleninduktivität L0,12 mHMusikbelastbarkeit mit Hochpassfilter100 Watt (12 dB/Okt.; 3000 Hz)Nennbelastbarkeit mit Hochpassfilter60 Watt (12 dB/Okt.; 3000 Hz)

Regulärer Preis: 34,95 €
Tipp
52mm Hochtöner Kalotte 100W 8-Ohm Textilkalotte mit linearem Frequenzgang
52mm Hochtöner Kalotte 100W 8-Ohm Textilkalotte mit linearem Frequenzgang

Hochtöner Kalotte 100W 8-Ohm DM 52mm Seiden- bzw. Textilkalotte mit Kapton SchwingspulenträgerHoch belastbare Textilkalotte im klassischen Rundformat mit 52mm Außendurchmesser, gute Linearität mit sehr guter klanglicher Charakteristik, detailreiche Wiedergabe, für alle HiFi-Zwecke 2-wege , 3-wege und auch 4-wege Boxensysteme Ideal für die Reparatur von Lautsprecherboxen aller Art für Boxenleistungen von 80-200 Watt.Die Seidenkalottenhochtöner dieser Serie liefern präzisen, klaren und hochwertigen Klang. Sie sind mit einer hochwertigen Seidenlaminierung und mit Neodym-Magneten ausgestattet, die die Höhen sanft abmildern. Perfekt für Musik- und Audioliebhaber.52mm Weichseiden KalottenhochtönerLaminattechnologie / Hervorragende Abstrahlung20mm Schwingspule / ABS-FrontplatteFür den Austausch und HiFi-AnwendungenTechnische Daten:Leistung über übliche 12dB Weiche 100WLeistung: Pur Max: 30W / RMS-Leistung: 15WHochtonsystem mit DomekalotteSchwingspule: 20mmMagnet Typ: NeodymFrequenzbereich: 1800Hz - 20.000 HzSchalldruck: SPL 1W/1m: 88dBImpedanz: 8-OhmAußendurchmesser 52mmEinbauöffnung: 44mmEinbautiefe: 9,3mmAbmessungen : Ø 52mm x 12,5mmGewicht (kg): 0.032

Regulärer Preis: 16,95 €
Tipp
65mm Hochtöner Kalotte 90W 8-Ohm Textilkalotte mit gutem, ausgeglichenem Frequenzgang
65mm Hochtöner Kalotte 90W 8-Ohm Textilkalotte mit gutem, ausgeglichenem Frequenzgang

Hochtöner Kalotte 90W 8-Ohm DM 65mm Seiden- bzw. TextilkalotteHoch belastbarer Textilkalotte im klassischen Rundformat mit 65mm Außendurchmesser, gute Linearität mit sehr guter klanglicher Charakteristik, detailreiche Wiedergabe, für alle HiFi-Zwecke 2-wege , 3-wege und auch 4-wege Boxensysteme Ideal für die Reparatur von Lautsprecherboxen aller Art für Boxenleistungen von 80-200 Watt.Die Seidenkalotten Hochtöner dieser Serie liefern präzisen, klaren und hochwertigen Klang. Sie sind mit einer hochwertigen Seidenlaminierung und mit Neodym-Magneten ausgestattet, die die Höhen sanft abmildern. Perfekt für Musik- und Audioliebhaber.65mm Weichseiden KalottenhochtönerLaminattechnologie / Hervorragende Abstrahlung20mm Schwingspule / ABS-FrontplatteFür den Austausch und HiFi-AnwendungenTechnische Daten:Leistung über übliche 12dB Weiche 90WLeistung: Pur Max: 30W / RMS-Leistung: 15WHochtonsystem mit DomekalotteSchwingspule: 20mmMagnet Typ: NeodymFrequenzbereich: 1800 - 20.000 HzSchalldruck: SPL 1W/1m: 88dBImpedanz: 8-OhmAußendurchmesser 65mmEinbauöffnung: 55mmEinbautiefe: 9,6mmAbmessungen : Ø 65mm x 12,5mmGewicht (kg): 0.032

Regulärer Preis: 21,95 €
Rabatt
HW52AG TOA  Ersatzhochtöner Replacement Tweeter 35mm 8-Ohm Hochtöner für HX5 HX-5WP u.a. Refurbished
HW52AG TOA Ersatzhochtöner Replacement Tweeter 35mm 8-Ohm Hochtöner für HX5 HX-5WP u.a. Refurbished

HW52AG TOA Ersatzhochtöner Replacement Tweeter Hochtöner für HX5 HX-5WP ua Refurbished TOA ELECTRONICS HW52Α replacement spare part dome tweeter for speakers HX5 / HX-5 / HX-5WP und andere ähnliche Array Systeme. + Ersatz-Hochtöner zu TOA HX-5 Serie + Durchmesser : 35mm Höhe bzw. Tiefe : 21mm + 3-Anschlüße für Steckschuhe 2x 2,8mm + 1x 4,8mm + Impedanz : 8-Ohm + Leistung über Weiche 80/150Watt + PS: Normal sind in einer HX5  je Zeile sind immer 3 Stück verbaut  ( siehe auch weitere Bilder )  + Betrieb nur über eine Frequenzweiche + Betrieb ohne Weiche führt zur Zerstörung des Tweeters + Refurbished geprüft getestet daher 12-Monate Garantie 

Verkaufspreis: 19,80 € Regulärer Preis: 34,95 € (43.35% gespart)
Nur 4 auf Lager!
Tipp
104mm Hochtöner Kalotte 50W 8-Ohm Seidenkalotte mit Neodym-Magneten Einsatz in Boxen bis 150Watt
104mm Hochtöner Kalotte 50W 8-Ohm Seidenkalotte mit Neodym-Magneten Einsatz in Boxen bis 150Watt

104mm Hochtöner Kalotte 8Ohm Seidenlaminierung mit Neodym-Magneten Einsatz in Boxen bis 150WattHochwertigem Klang im klassischen Rundformat mit 104mm Außendurchmesser, gute Linearität mit besonders brillanter Charakteristik, detailreiche Wiedergabe, für alle HiFi-Zwecke in 2-wege , 3-wege und auch 4-wege Boxensysteme + Ideal für den Austausch und HiFi-Anwendungen in Boxen aller Art + Perfekt für Musik- und Audioliebhaber ! Ideal für die Reparatur von Lautsprecherboxen aller Art für Boxenleistungen von 80-150 Watt da Betrieb üblicherweiße über 12dB Frequenzweiche  Technische Daten:Frequenzbereich 1400.....20.000 Hz = 20Khz Resonanzfrequenz (fs) 1300 Hz Empf. Trennfrequenz ab 2Khz / 2,5Khz / 3Khz je nach Anwendung 2-Wege 3-Wege 4-Wege Nennbelastbarkeit (RMS) 25W Musikbelastbarkeit 50W über 12dB Weiche bis 150W Einsetzbar über 12dB Weiche in Boxen bis 150Watt Gesamtbelastbarkeit Kennschalldruck 90 dB/W/m Schwingspulendurchmesser: Ø 25 mm = 1zoll Abmessungen DMØ 104 x 26,5mm Magnetdurchmesser Ø 70 mm Einbauöffnung Ø 89 mm Einbautiefe 26,5 mm Außendurchmesser Ø 104 mm Breite Ø 104 mm / Bauhöhe 31 mm Farbe Schwarz Zul. Gewicht 0,437 kg 

Regulärer Preis: 21,95 €