Zum Hauptinhalt springen Zur Suche springen Zur Hauptnavigation springen
schneller Versand
Telefonische Beratung
Rufen Sie gerne an
Rechnungszahlung für Firmen/Behörden
Telefon: +49 (0)7362 - 919093

130mm Basslautsprecher Tief- Mitteltöner 60W 8-Ohm SC13

Produktinformationen "130mm Basslautsprecher Tief- Mitteltöner 60W 8-Ohm SC13"

130mm Tiefmitteltöner Universal Lautsprecher für allgemeine Anwendungen.

Magnetisch abgeschirmter HiFi-Breitbandlautsprecher mit Cellulose-Membran und Gummisicke. Auch als Tiefmitteltöner einsetzbar. Durch sehr ausgeglichenen Frequenzgang und guten Wirkungsdrad besonders geeignet in magnetisch abgeschirmten 2wege Kombinationen für Surround- Centerlautsprecher und Multi-Media-Boxen. Auch gut für die Ersatzbestückung von HiFi Boxen aller Art.

Anwendungsmöglichkeiten:

  • Ersatzlautsprecher von HiFi Boxen aller Art mit ähnlichen Abmessungen
  • als Mitteltöner oder als Tiefmitteltöner in 3-wege Boxen für die Reparatur 
  • als Tieftöner in 2-Wege Boxen gut einsetzbar 
  • als Breitbänder gut einsetzbar 
  • als Surround-Centerlautsprecher gut verwendbar 
  • als Tieftöner in kleineren Boxen sehr gut verwendbar 
  • Universal Lautsprecher für allgemeine Anwendungen

Technische Daten:

  • Leistung: 60 Watt max. bzw. 40 Watt RMS
  • Impedanz: 8-Ohm
  • Frequenzbereich: 70Hz - 13.000Hz
  • fu: untere Grenzfrequenz abhängig vom Gehäuse 
  • Kennschalldruck: 90dB (1W-1m)
  • Abstrahlwinkel: 58° bei 4000Hz 
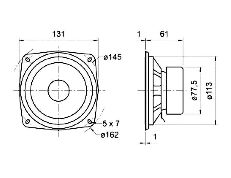
  • Abmessungen siehe auch Zeichnung Bild2
  • Außendurchmesser: 162mm
  • Längsseite: 131x131mm
  • Lochkreisdurchmesser: 145mm
  • Einbauöffnung: 113mm
  • Einbautiefe: 61mm
  • Magnetdurchmesser: 77,5mm
  • Magnetisch abgeschirmt
  • Gewicht: 0,62kg

Weitere Daten des Lautsprechers:  

  • Grenzauslenkung  Hub +/−7,5 mm
  • Resonanzfrequenz fs 78 Hz
  • Magnetische Induktion  1T
  • Magnetischer Fluss 250 uWb
  • Obere Polplattenhöhe 4mm
  • Schwingspulendurchmesser 20mm
  • Wickelhöhe 5,5mm
  • Schallwandöffnung 113 mm
  • Gleichstromwiderstand Rdc 7,2 Ohm
  • Mechanischer Q-Faktor Qms 2,95
  • Elektrischer Q-Faktor Qes 0,94
  • Gesamt-Q-Faktor Qts 0,71
  • Äquivalentes Luftnachgiebigkeitsvolumen Vas 7,4 Liter 
  • Effektive Membranfläche Sd 79 qm
  • Dynamische bewegte Masse Mms 4,8gr 
  • Antriebsfaktor Bxl 4,2 Tm
  • Schwingspuleninduktivität L = 0,7 mH
  • Temperaturbereich  –25 ... 70 °C
 

0 von 0 Bewertungen

Durchschnittliche Bewertung von 0 von 5 Sternen

Bewerten Sie dieses Produkt!

Teilen Sie Ihre Erfahrungen mit anderen Kunden.


Produktgalerie überspringen

Ähnliche Artikel

Rabatt
122mm Basslautsprecher 50W 8-Ohm W100S Fullrange mit Breitbandeigenschaften
122mm Basslautsprecher 50W 8-Ohm W100S Fullrange mit Breitbandeigenschaften

Basslautsprecher bzw. HiFi-Tiefmitteltöner mit beschichteter Papiermembran, elastischer Gummisicke und temperaturstabiler 20mm Schwingspule. Einsetzbar als Tieftöner in Kleinboxen und durch sehr ausgeglichenen Frequenzgang besonders als Tiefmitteltöner in 2- und 3-Wege-Boxen und Satellitensystemen für Subwoofer-Anlagen geeignet.Ideal auch für die Ersatzbestückung oder Reparatur von Lautsprecherboxen. Technische Daten: Belastbarkeit / Leistung des Tief-Mitteltöners 50Watt Musikbelastbarkeit 30Watt Nennbelastbarkeit Frequenzgang: 20-15.000Hz Impedanz: 8-Ohm Abmessungen siehe auch Zeichnung weitere Bilder !  Außendurchmesser: 122mm Lochkreis-Durchmesser: 111mm  5-Loch Bohrungen Durchmesser je 3,7mm  Einbauöffnung/Einbau-Durchmesser: 94mm Einbautiefe: 48mm Magnetdurchmesser: 70mm Gewicht: 0,49kg  

Verkaufspreis: 34,90 € Regulärer Preis: 44,59 € (21.73% gespart)
Nur 2 auf Lager!
Rabatt
119mm Basslautsprecher 150W 8-Ohm TOA BST-242G für HX-5 Serie Refurbished
119mm Basslautsprecher 150W 8-Ohm TOA BST-242G für HX-5 Serie Refurbished

119mm Basslautsprecher 150W 8ohm TOA BST-242G für HX-5 Serie RefurbishedBST-242G - Ersatzlautsprecher - Tieftöner für die HX-5 SerieLeistung 100/150W Impedanz 8-Ohm 105mm Membrandurchmesser Abmessungen: 119x119mm mit Bef. Ohren über Kreuz = 136-138mm  105mm Membrandurchmesser  Lochkreis-Ausschnitt 108mm Bautiefe: 55mm Magnetdurchmesser: 90mm Refurbished = gebrauchter Tieftöner aufbereitet und geprüft, daher 12Monate Garantie 

Verkaufspreis: 39,00 € Regulärer Preis: 54,95 € (29.03% gespart)
Rabatt
119mm Basslautsprecher 150W 8-Ohm TOA BST-242G für HX-5 Serie Neuware
119mm Basslautsprecher 150W 8-Ohm TOA BST-242G für HX-5 Serie Neuware

119mm Basslautsprecher 150W 8ohm TOA BST-242G für HX-5 Serie NeuwareBST-242G - Ersatzlautsprecher - Tieftöner für die HX-5 SerieLeistung 100/150W Impedanz 8-Ohm 105mm Membrandurchmesser Abmessungen: 119x119mm mit Bef. Ohren über Kreuz = 136-138mm  105mm Membrandurchmesser  Lochkreis-Ausschnitt 108mm Bautiefe: 55mm Magnetdurchmesser: 90mm

Verkaufspreis: 49,95 € Regulärer Preis: 54,95 € (9.1% gespart)
Rabatt
122mm Basslautsprecher 50W 4-Ohm W100S Fullrange mit Breitbandeigenschaften
122mm Basslautsprecher 50W 4-Ohm W100S Fullrange mit Breitbandeigenschaften

Basslautsprecher bzw. HiFi-Tiefmitteltöner mit beschichteter Papiermembran, elastischer Gummisicke und temperaturstabiler 20mm Schwingspule. Einsetzbar als Basslautsprecher, Tieftöner, Tiefmitteltöner oder Fullrange Breitbänder bis 15Khz in Kleinboxen. Durch den sehr ausgeglichenen Frequenzgang besonders als Tiefmitteltöner in 2- 3- und 4-Wege-Boxen und Satellitensystemen für Subwoofer-Anlagen geeignet. 10cm (4zoll ) HiFi-Tiefmitteltöner mit beschichteter Papiermembran, elastischer Gummisicke und temperaturstabiler 20mm-Schwingspule. Einsetzbar auch in Miniboxen, Tonsäulen und durch sehr weiten und ausgeglichenen Frequenzgang bis 15.000Hz   Ideal auch für die Ersatzbestückung oder Reparatur von Lautsprecherboxen. Technische Daten: Belastbarkeit / Leistung  50Watt Musikbelastbarkeit 30Watt Nennbelastbarkeit Frequenzgang: fu-15.000Hz (fu: untere Grenzfrequenz abhängig vom Gehäuse) Resonanzfrequenz fs 65Hz  Impedanz: 4-Ohm Schalldruckpegel 86dB ( 1w-1m )  Membranhub / Grenzauslenkung +/-4mm  Abstrahlwinkel (−6 dB) 86° / 4000Hz  Schwingspulendurchmesser 20mm  Mechanischer Q-Faktor Qms 3,04  Elektrischer Q-Faktor Qes 0,54 Gesamt-Q-Faktor Qts 0,46 Äquivalentes Luftnachgiebigkeitsvolumen Vas 4,49 L Effektive Membranfläche Sd 53qcm Dynamische bewegte Masse Mms 5,3g  Antriebsfaktor Bxl 3,7Tm Abmessungen siehe auch Zeichnung weitere Bilder !  Aussendurchmesser: 122mm Lochkreis-Durchmesser: 111mm  5-Loch Bohrungen Durchmesser je 3,7mm  Einbauöffnung/Einbau-Durchmessser: 94mm Einbautiefe: 48mm Magnetdurchmesser: 70mm Gewicht: 0,49kg

Verkaufspreis: 34,90 € Regulärer Preis: 44,59 € (21.73% gespart)
Rabatt
130mm 200W 8-Ohm Basslautsprecher HiFi Tieftöner
130mm 200W 8-Ohm Basslautsprecher HiFi Tieftöner

130mm 200W 8ohm Basslautsprecher Subwoofer HiFi Tieftöner auch als Tief-Mitteltöner einsetzbar  Dieser Basslautsprecher zeichnet sich durch einen schweren Magneten, sowie eine robuste 4-lagige Schwingspule und die hoch belastbare Kevlar Membrane aus. Die besondere Bauart garantiert eine perfekte Basswiedergabe. Diese Lautsprecher eignen sich besonders für die Ersatzbestückung (Reparatur) und den Neuaufbau von Lautsprecherboxen. Optimales Preis- Leistungsverhältnis da Kevlar Membran Gummisicke Belüftete, hitzebeständige Schwingspule Großer Magnet Große Leistung Technische Daten: Leistung: 200W max. bzw. 100W RMS Frequenzbereich: 35...8.000Hz Impedanz: 8-Ohm Empfindlichkeit: 89dB (1W-1m) Abmessungen: Außendurchmesser: 131mm Einbaudurchmesser: 113mm Einbautiefe: 70mm Magnetdurchmesser: 100mm Gewicht: 1,25kg

Verkaufspreis: 27,90 € Regulärer Preis: 39,00 € (28.46% gespart)
Rabatt
Tipp
130mm Basslautsprecher 60W 8-Ohm WS13E Univ Breitbandlautsprecher
130mm Basslautsprecher 60W 8-Ohm WS13E Univ Breitbandlautsprecher

130mm Basslautsprecher bzw. Breitbandlautsprecher mit Papiermembran und elastischer Gummisicke und Hochtontrichter. Auch als Tieftöner oder Tiefmitteltöner verwendbar. Wegen der speziellen Korbform besonders als Ersatzbestückung für viele HiFi-Fertigboxen und auch Reparaturen von Boxen ideal einsetzbar. Technische Daten: Musikbelastbarkeit: 60Watt  Nennbelastbarkeit: 40Watt RMS Nennimpedanz: 8-Ohm Übertragungsbereich: fs...12.000Hz ( fs = untere Grenzfrequenz abhängig vom Gehäuse ) Mittlerer Schalldruckpegel: 86dB (1 W/1 m) Abstrahlwinkel (-6 dB): 65°/4000 Hz  Abmessungen siehe auch Zeichnung weitere Bilder  Aussendurchmesseer: 131mm Einbaudurchmesser / Schallwandöffnung: 113 mm Bautiefe: 51mm Gewicht 0,34kg

Verkaufspreis: 23,90 € Regulärer Preis: 29,61 € (19.28% gespart)
Rabatt
130mm Basslautsprecher 120W 8-Ohm Universal Breitbandlautsprecher
130mm Basslautsprecher 120W 8-Ohm Universal Breitbandlautsprecher

130mm Basslautsprecher universal einsetzbar als Tief-Mitteltöner, Breitbandsystem da Einsatz bis 12Khz durch den integrierten Hochtontrichter  Ideal für die Ersatzbestückung, Reparatur von Boxen, Kleinboxen, Kofferverstärker, E-Gitarren, Kleinboxen, ELA-Tonsäulen, KFZ, Centerspeaker, für Multi-Systeme usw. Technische Daten: Leistung: max. 120Watt, 80Watt RMS Impedanz 8-Ohm Frequenzsbereich 66...12.000Hz Resonanzfrequenz: 80Hz Paper-Cone Membrane, Foam-Sicke, 25mm ASV Schwingspule Schalldruck 89dB (1w-1m) Abmessungen: Aussendurchmesser: 130mm   Einbau-, bzw. Lochkreisausschnitt 118mm Magetabmessungen: 80x40x15mm Einbautiefe 60mm Gewicht 0,65kg

Verkaufspreis: 9,80 € Regulärer Preis: 14,70 € (33.33% gespart)
Rabatt
130mm 50W 4-Ohm Basslautsprecher Ersatzbass
130mm 50W 4-Ohm Basslautsprecher Ersatzbass

Ersatzbass bzw. Basslautsprecher mit 130x130mm Abmessungen. Einsatz in Boxen mit 80/100W Gesamtleistung  Universell einsetzbarer Basslautsprecher / Tiefmitteltöner mit Gummisicke und solider Polypropylen-Membrane Technische Daten: Leistung: 50 Watt max. Impedanz: 4-Ohm Frequenzbereich: 50Hz...4kHz Empfindlichkeit: 90dB (1W-1m) Resonanzfrequenz: 47Hz Abmessungen:  Durchmesser: 130mm (Ecke zu Ecke: 158mm) Einbau-DM / Lochkreisausschnitt: 114mm Einbautiefe ca. 58mm Mass für Befestigungslöcher Quer: 142mm, Längs: 100mm Durchmesser Befestigungslöcher: 5,0mm Magnetdurchmesser: 80mm  Gewicht: 0,72kg

Verkaufspreis: 9,99 € Regulärer Preis: 14,90 € (32.95% gespart)